EasyManua.ls Logo

Radio Shack VoxBox TRS-80 - Page 22

Radio Shack VoxBox TRS-80
22 pages
To Previous Page IconTo Previous Page
To Previous Page IconTo Previous Page
Loading...
APPENDIX
D. (Continued)
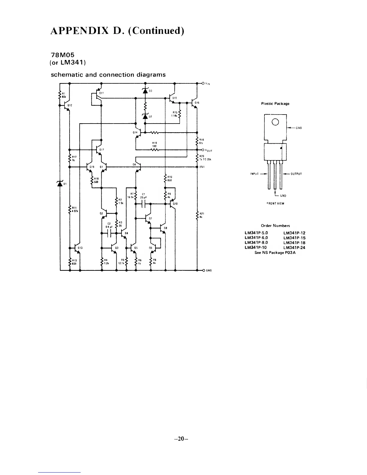
78M05
(or
LM341)
schematic
and connection
diagrams
n
7
<RI
1
1
01!
1 J ^
<
S<9!>
'Hj
1
a
D3
i<1
i
VW-
1 14k*
O
V(N
•;
f-1
Q ' 6
Plastic Package
-
GND
rRONT
VIEW
Order
N umbers
LM341P5.0
LM341P-12
LM341P6.0
LM341P
15
LM341P8.0
LM341P-18
LM341P-10
LM341P-24
See NS Package P03A
-20-