EasyManua.ls Logo

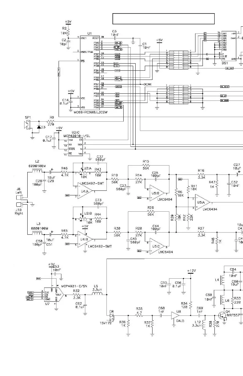
Ramsey Electronics FM35 - FM35 Schematic Centerfold

Ramsey Electronics FM35
24 pages
Print Icon
To Next Page IconTo Next Page
To Next Page IconTo Next Page
To Previous Page IconTo Previous Page
To Previous Page IconTo Previous Page
Loading...
FM35 12
FM35 SCHEMATIC CENTERFOLD

Related product manuals