EasyManua.ls Logo

Ramsey Electronics FX Series - Stage B: Receiver Audio Amplifier

Default Icon
132 pages
Print Icon
To Next Page IconTo Next Page
To Next Page IconTo Next Page
To Previous Page IconTo Previous Page
To Previous Page IconTo Previous Page
Loading...
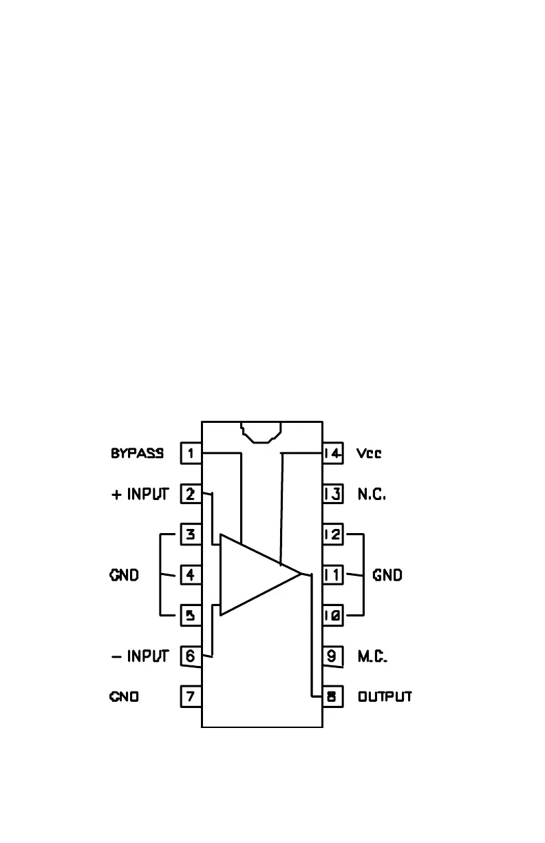
Stage B: Receiver Audio Amplifier
The secret to the fine performance of the LM380 audio amplifier lies in
careful selection and physical positioning of the several external components
required to complete its circuit. The LM380 is a self contained general
purpose audio amplifier capable of over 2 watts audio output with a voltage
gain of 50. Audio from the FM discriminator (U1) is fed through C7 through
the 10K volume control (R7) to pin 2, the amplifier input. The amplified
output at pin 8 is available through C34 to both the speaker jack and pin 4 of
the Packet I/O Jack. Capacitor C41 in series with R108 across this amplified
output are recommended good practice to prevent self-oscillation of the
amplifier IC.
Pin 1 is bypassed to ground through C48 in normal operation. If pin 1 is
grounded directly, the internal bias of the LM380 is upset, and the amplifier
is silenced. We are able to put this characteristic to practical use, using Q6
as a simple switch. When 8 volts is applied through R107 and D22 to the
base of Q6, the transistor collector grounds pin 1 of U2, thus silencing the
receiver during transmit. The COR output of U1 (pin 16) also mutes the
amplifier, a feature which we'll discuss in the context of Stage CR.

Related product manuals