EasyManua.ls Logo

Ramsey Electronics QRP40 - Block Diagram

Default Icon
24 pages
Print Icon
To Next Page IconTo Next Page
To Next Page IconTo Next Page
To Previous Page IconTo Previous Page
To Previous Page IconTo Previous Page
Loading...
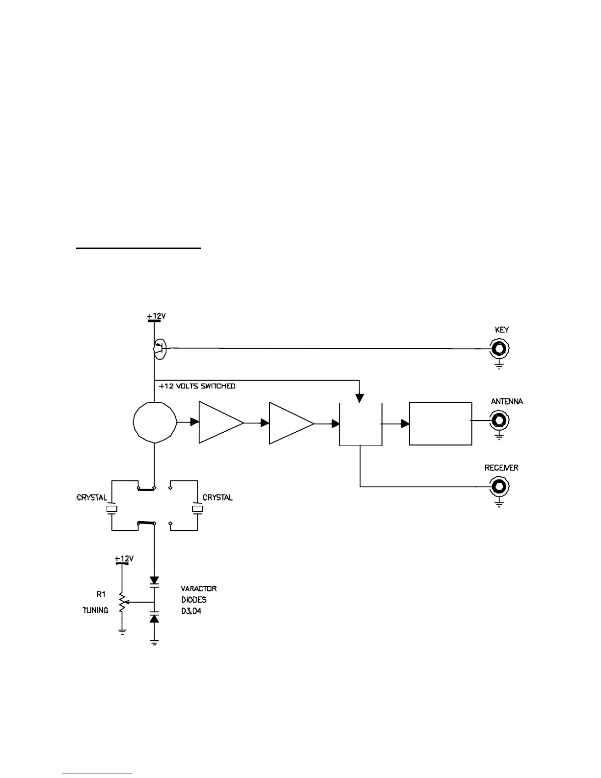
QRP-40 8
L6,C17 and C18 form a low pass filter (Butterworth) to match the output of Q3
to the antenna and reduce harmonics to acceptable levels as specified by the
FCC.
When the keying line is closed, Q4 conducts +12VDC to the oscillator stage,
applies a positive bias to the base of Q2 through R8, and +12VDC through
choke L4 to the anode of D1, which permits RF to pass through D1 to the filter
network while applying negative bias to D2 which blocks RF from passing to the
receiver. When the keying line is open, the +12VDC applied to D2 through R13
permits D2 to conduct from the antenna jack to the receiver jack. The buffer
and amplifier stages are not keyed, resulting in clean keying, free of chirps and
clicks.
BLOCK DIAGRAM:
Q1
OSC.
Q2
BUFFER
Q3
FINAL
AMP
D1,D2
DIODE
SWITCH
C17.L5,C18
LOW PASS
FILTER
A B

Related product manuals