EasyManua.ls Logo

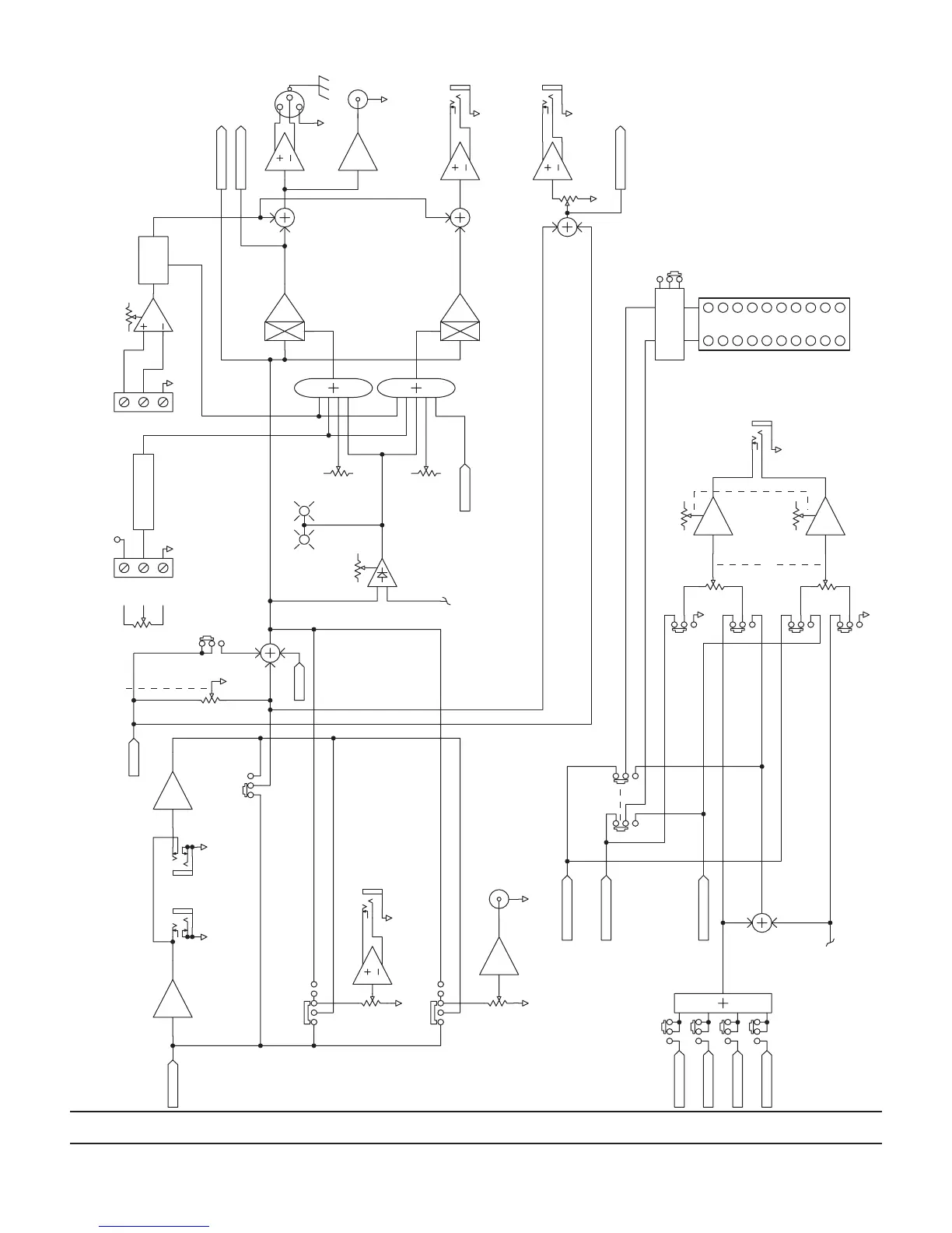
Rane MP 44 - OUTPUT BLOCK DIAGRAM

Rane MP 44
9 pages
Print Icon
To Previous Page IconTo Previous Page
To Previous Page IconTo Previous Page
Loading...
Manual-9
CH 1 CUE
CH 2 CUE
CH 3 CUE
CH 4 CUE
+10
+7
-2
-4
-7
-20
-10
+4
+2
+0
HOUSE RIGHT
HOUSE LEFT
METER MODE
HOUSE
LEVEL
PHONES
RIGHT
LEFT
1
2
3
+
-
BOOTH
MASTER LEFT
MASTER MONO
HOUSE
LEVEL
BOOTH
LEVEL
AUX B OUT
PAN
AUX B
LEVEL
HOUSE LEFT
SEND RETURN
LIMIT DETECT
THRESHOLD
+20-20
MASTER EFFECTS LOOP
EFFECTS ENGAGE
MASTER
CUE SUM RIGHT
CUE MONO
CUE RIGHT
CUE LEFT
LEFT MIX
AUX A
LEVEL
AUX A OUT
RIGHT
MIC
DUCKER
+
HOUSE PAGE INPUT
PAGE
DETECT
-20 dBu
LINE LEVEL
PAGE LEVEL
MUTE
-12 dB
REMOTE LEVEL
SENSITIVITY
+
Vc
Vref (+5)
FILTER
GND
LIGHT
TRIGGER
MASTER MONO
RIGHT
CHANNEL
+4 dBu
- 10 dBV
BALANCE
LEFT / RIGHT
FRONT REAR
MASTER MONO
HOUSE LEFT
HOUSE RIGHT
MASTER MONO
OUTPUT BLOCK DIAGRAM
©Rane Corporation 10802 47th Ave. W., Mukilteo WA 98275-5098 USA TEL 425-355-6000 FAX 425-347-7757 WEB www.rane.com
106150

Related product manuals