EasyManua.ls Logo

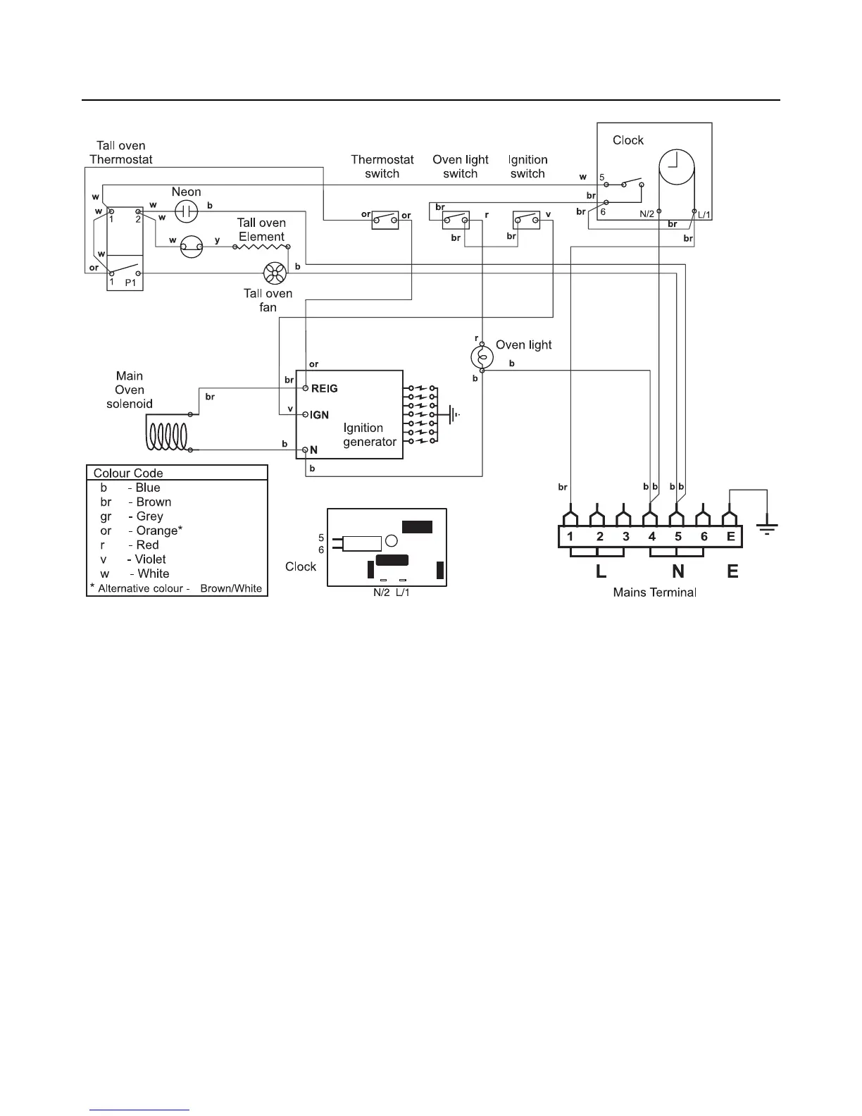
Rangemaster 90 Gas - Circuit Diagram

Rangemaster 90 Gas
40 pages
Print Icon
To Next Page IconTo Next Page
To Next Page IconTo Next Page
To Previous Page IconTo Previous Page
To Previous Page IconTo Previous Page
Loading...
36
Circuit Diagram

Related product manuals