EasyManua.ls Logo

Rangemaster Classic - 3 button clock - Page 39

Rangemaster Classic - 3 button clock
48 pages
Print Icon
To Next Page IconTo Next Page
To Next Page IconTo Next Page
To Previous Page IconTo Previous Page
To Previous Page IconTo Previous Page
Loading...
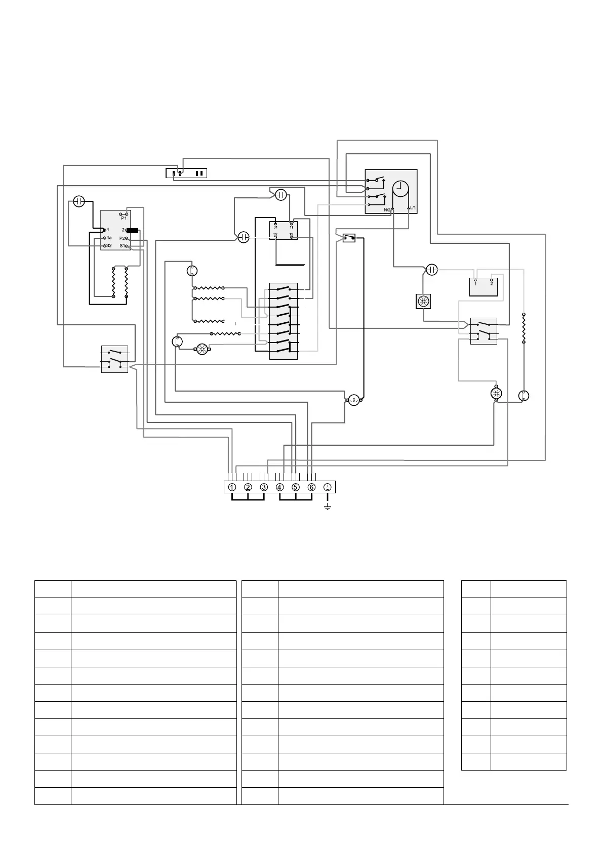
35
Key
The connections shown in the circuit diagram are for single - phase. The ratings are for 230 V 50 Hz.
6
P6
5P5
4
P4
7 P7
8P8
2
P2
1P1
3P3
P038434
E
LN
P095199
1
2
P2
P1
P095199
1
2
P2
P1
br
bk
b
y
o
bk
b
br
bk
b
bk
b
br
br
br
r
bb
b
bbb
bk
r
y
b
y
o
y
br
br
y
y
v
v
r
r
br
br
b
r
r
b
bk
w
v
r
v
r
w
r
gr
w
bk
o
o
y
r
b
b
b
br
o
w
y
b
b
b
r
o
b
b
b
br
y
b
gr
w
v
Y
b
br
br
br
v
v
v
v
v
r
r
v
b
b
b
b
br
br
v
br
A2
A1
B1
A3
B2a
B4
B2
B5
B6
B7
D2
D3
D4
I1
H
G
F2
D1
I2
K
C
B3
H
I
F1
H
Code Description
A1
Grill front switch
A2
Grill energy regulator
A3
Grill elements
B1
Multi-function oven thermostat
B2
Multi-function oven control
B2a
Multi-function oven thermostat front switch
B3
Multi-function oven base element
B4
Multi-function oven top element (outer pair)
B5
Multi-function oven browning element
(inner pair)
B6
Multi-function oven fan element
B7
Multi-function oven fan
C
Clock
Code Description
D1
Right-hand fan oven thermostat
D2
Right-hand fan oven control
D3
Right-hand fan oven element
D4
Right - hand oven fan
F1
Cooling fan
F2
Oven light switch
G
Oven light(s)
H
Thermal cut-out
I
Grill neon
I1
Multi-function oven neon
I2
Rapid heat-up neon
K
Right - hand oven neon
Multifunction oven Classic Deluxe
Code Colour
b
Blue
br
Brown
bk
Black
or
Orange
r
Red
v
Violet
w
White
y
Yellow
g/y
Green/yellow
bk/w
Black/white

Related product manuals