EasyManua.ls Logo

Rangemaster RDXD18IV/C - Circuit Diagram

Rangemaster RDXD18IV/C
40 pages
Print Icon
To Next Page IconTo Next Page
To Next Page IconTo Next Page
To Previous Page IconTo Previous Page
To Previous Page IconTo Previous Page
Loading...
27
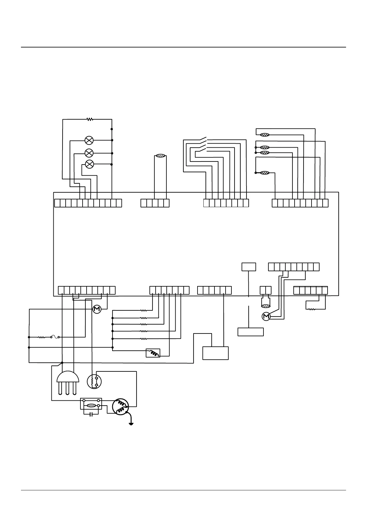
9. Circuit diagram
ArtNo.095-0003 - Circuit diagram - 90 induction
123456789
12
1234567
PL500 PL501 PL502
PL505
PL510
COOLER FAN
TRIZBAR RES.
DISPLAY
PL508
PL513
EVAPORATOR FAN
CRISPER
MIDDLE BRACKET
DRAIN
FRAME
ACUMULATOR
THERMAL FUSE
DEFROST
HEATER
RAN CAPASITOR
POSITIVE TEMPERATURE
COEFFICIENT
OVERLOAD
PROTECTOR
COMPRESSOR
12345678910
123456
AC IONISER
(OPTIONAL)
5432112 11 10 987654321 87654321 10 987654321
DOOR SWITCH 4
DEFROST SENSOR
COOLER SENSOR
SERPANTIN SENSOR
FREEZER SENSOR
DOOR SWITCH 3
DOOR SWITCH 2
LIGHT SENSOR
AIR DUCT RESISTANCE
AIR DUCT
LED 1
LEFT IN
DOOR LED
RIGHT IN
DOOR LED
DOOR SWITCH 1
PL514 PL512 PL507 PL509
5
1234 6
VALVE
NE L
AMBIENT
TEMPERATURE

Related product manuals