EasyManua.ls Logo

rav RAV516NL - Page 68

rav RAV516NL
106 pages
Print Icon
To Next Page IconTo Next Page
To Next Page IconTo Next Page
To Previous Page IconTo Previous Page
To Previous Page IconTo Previous Page
Loading...
68
0579-M030-2
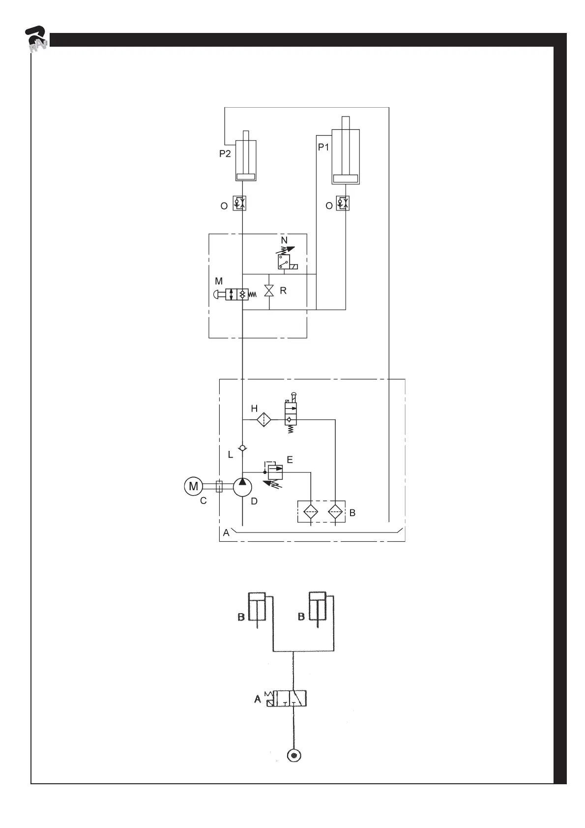
SCHEMA IMPIANTO OLEODINAMICO - DIAGRAM OF HYDRAULIC SYSTEM
SCHEMA IMPIANTO PNEUMATICO - DIAGRAM OF PNEUMATIC SYSTEM
RISERVATO AL PERSONALE AUTORIZZATO ALL'INSTALLAZIONE - ONLY FOR INSTALLATION-AUTHORIZED STAFF
IST DEM ZUR INSTALLATION AUTORISIERTEN PERSONAL VORBEHALTEN - RESERVE AU PERSONNEL PREPOSE A L'INSTALLATION - RESERVADO AL PERSONAL ENCARGADO DE LA INSTALACION

Table of Contents

Related product manuals