EasyManua.ls Logo

Ravaglioli KPS324 H2 - Elektroanlage

Ravaglioli KPS324 H2
76 pages
Print Icon
To Next Page IconTo Next Page
To Next Page IconTo Next Page
To Previous Page IconTo Previous Page
To Previous Page IconTo Previous Page
Loading...
47
0472-M013-5
11
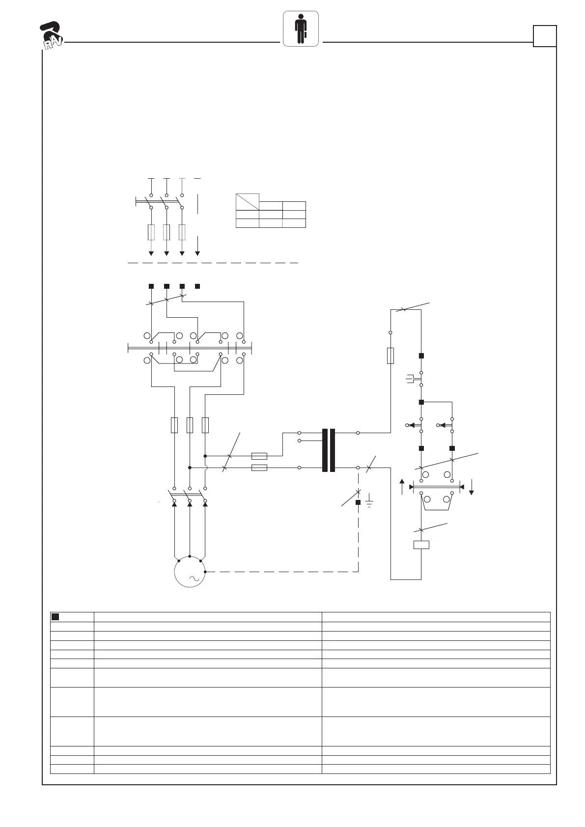
11. IMPIANTO ELETTRICO
Installazione da eseguire dall'utilizzatore
11. ELECTRICAL INSTALLATION
Power installations must be made by the user
11. ELEKTROANLAGE
Netzanschluss nur durch Elektrofachkräfte
11. INSTALLATION ÈLECTRIQUE
L'installation doit être effectée par l'usager
11. ESQUEMA ELECTRICO
La instalación tiene que efectuarla el utilizador
400
230
0
TR
0
24
3
M1
16A aM
16A aM
380
FU
FU
25A aM
25A aM
220
60
50
HZ
V
1
0
17 18 19
RO
SSO 1mmq
252423
24 25
23
L3L2
L1
PEL3
FCS
FCD
L1
L2
NE
RO 2.5mmq
NERO 1.5mmq
GIALLO/VERDE 1mmq
ROSSO 1mmq
2
1
0
FU1
FU2
IG
IG
KM
KM
STM1
FU3
U
V
W
8
9
2
3
4
5
6
7
7
13 15 9115
14
16 10
12 6
31
24
191817
19
18
2
ROSSO 1mmq
ROSSO 1mmq
MORSETTO TERMINAL
STM1 SONDA TERMICA MOTORE MOTOR HEAT PROBE
TR TRASFORMATORE COMANDI 30 VA 0-230-400/0-24 COMMAND TRANSFORMER 30 VA 0-230-400/0-24
KM CONTATTORE COMANDO MOTORE MOTOR CONTROL CONTACTOR
M1 MOTORE MOTOR
IG INVERTITORE GEN. DI FASE CON COMANDO SAL./DISC. GEN. PHASE INVERTER WITH RISE/DESCENT COMMAND
FU3
FUSIBILE PROTEZIONE SECONDARIO TR.5X20F 2A
250V (RAPIDO)
SECONDARY PROTECTION FUSE TR 5X20F 2A 250V
RAPID
FU2
FUSIBILE PROTEZIONE PRIMARIO TR: VERS.230V 5X20F
1A 250V (RAPIDO); VERS.400V 10.3X38 1A 500V GL
(RAPIDO)
PRIMARY PROTECTION FUSE TR 5X20F 1A 250V RAPID
(230V VERSION) 10.3X38 1A 500V GL RAPID (VERSION
400V)
FU1
TERNA FUSIBILI PROTEZIONE LINEA MOTORI:
VERS. 230V 10.3X38 25A 500V AM;
VERS. 400V 10.3X38 16A 500V AM
TRI PLET OF MOTOR LINE FUSES:
10.3X38 25A 500V AM (VERSION 230V);
10.3X38 16A 500V AM (VERSION 400V)
FCS FINECORSA DI SALITA RISE LIMIT SWITCH
FCD FINECORSA DI DISCESA DESCENT LIMIT SWITCH
RIFER. NOMENCLATURA DENOMINATIONS

Related product manuals