EasyManua.ls Logo

Raypak 503-2003 - Page 41

Raypak 503-2003
58 pages
Print Icon
To Next Page IconTo Next Page
To Next Page IconTo Next Page
To Previous Page IconTo Previous Page
To Previous Page IconTo Previous Page
Loading...
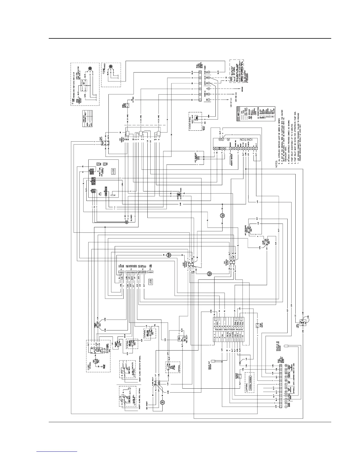
SECTION C: Installation
39
Models 1753-2003

Related product manuals