EasyManua.ls Logo

Raypak MVB 503-2003 - Page 39

Raypak MVB 503-2003
56 pages
Print Icon
To Next Page IconTo Next Page
To Next Page IconTo Next Page
To Previous Page IconTo Previous Page
To Previous Page IconTo Previous Page
Loading...
39
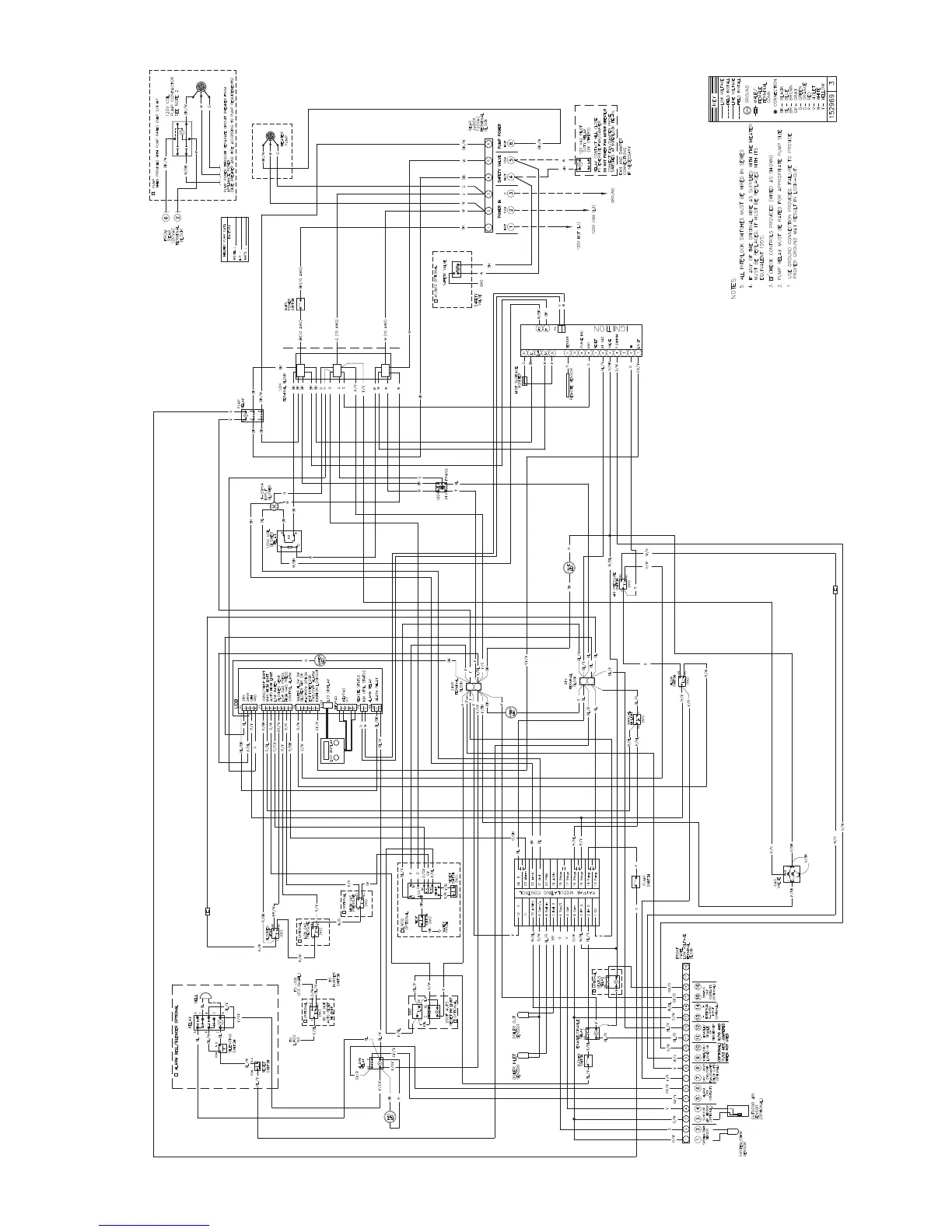
WIRING DIAGRAMS - Models 503–1503

Related product manuals