EasyManua.ls Logo

RBI FLEXCORE CK7000 - Page 41

RBI FLEXCORE CK7000
52 pages
Print Icon
To Next Page IconTo Next Page
To Next Page IconTo Next Page
To Previous Page IconTo Previous Page
To Previous Page IconTo Previous Page
Loading...
41
Cast Iron Condensing Boilers – Installation Manual
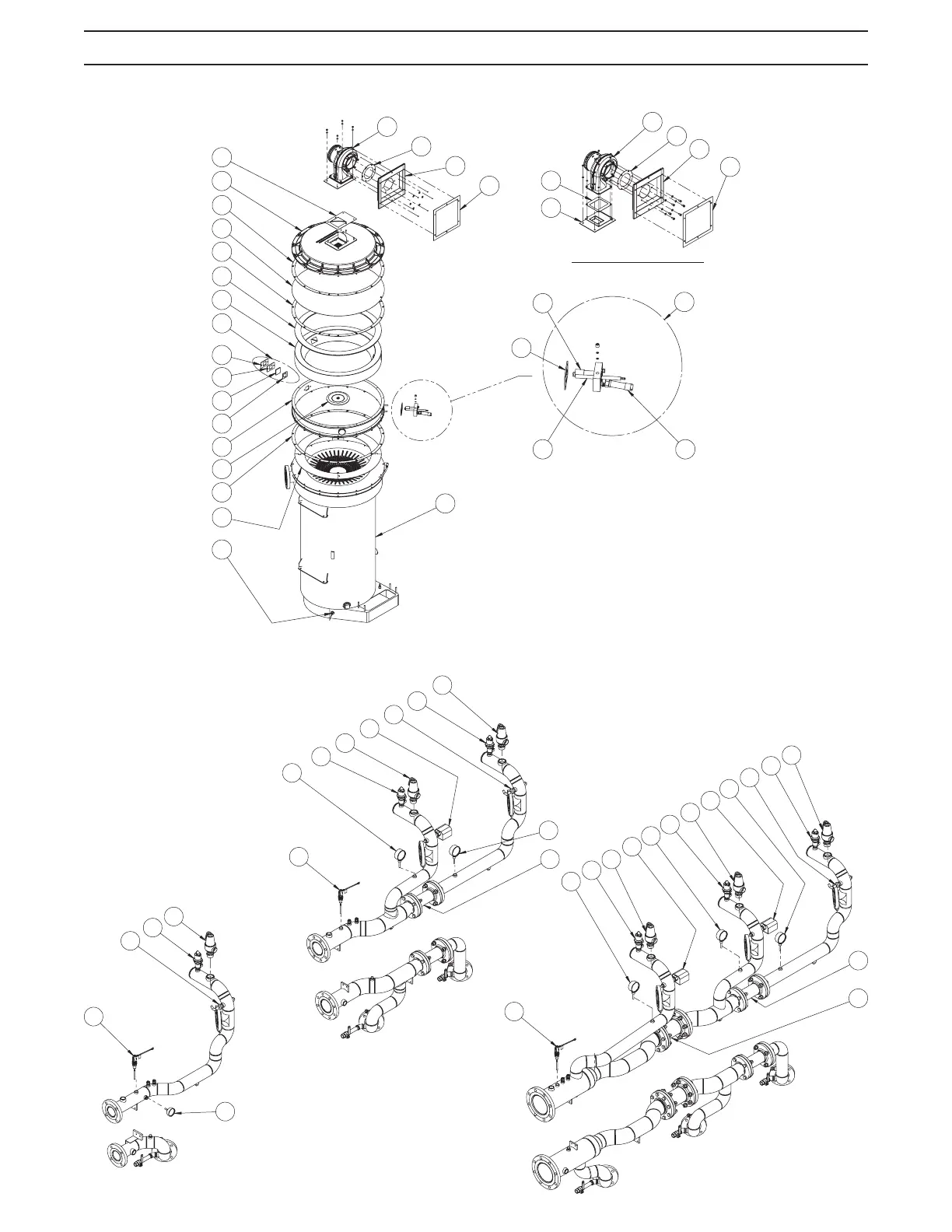
FlexCore Stainless Steel Condensing Boilers – Installation Manual
66A
67A
68A
69
65A
68B
CK0850 TO 1000 ONLY
58C
58A
58B
59
58
53
52
54
56
61
54
63
54
65
60A
60C
60B
60
VIEW A
RIOM-0217_D
64
60D
62
57
55
67
68
69
66
VIEW B
73
73
45
72
RIOM-0217_D
72
72
45
72
45A
45A
75
74
73
72
72
74
45A
45
73
73
73
70
70
70
70
70
70
71C
71C
71C

Related product manuals