EasyManua.ls Logo

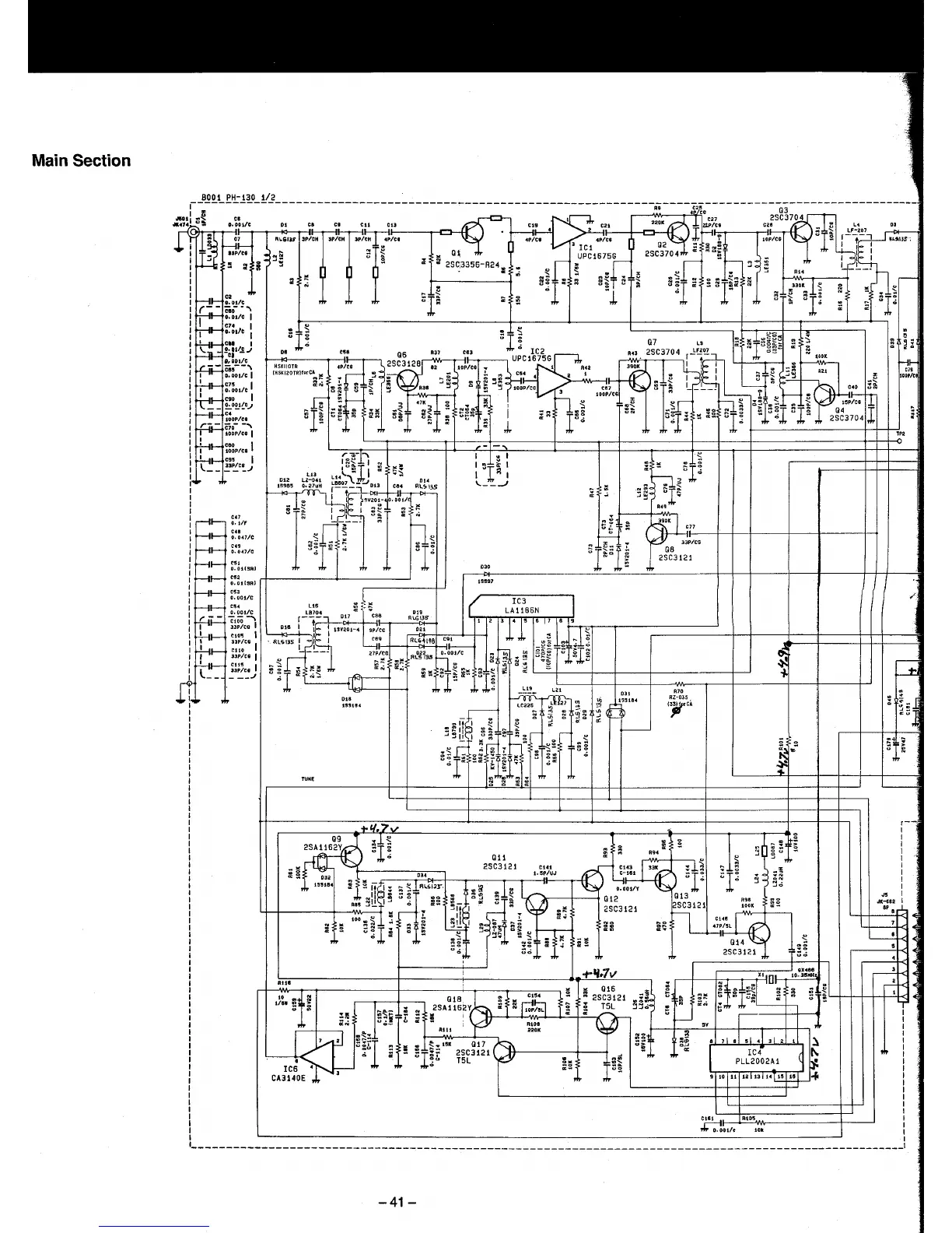
Realistic PRO-2026 - Main Section

Realistic PRO-2026
45 pages
Print Icon
To Next Page IconTo Next Page
To Next Page IconTo Next Page
To Previous Page IconTo Previous Page
To Previous Page IconTo Previous Page
Loading...

Related product manuals