EasyManua.ls Logo

RED DEVIL 5410-OH - Page 13

Default Icon
22 pages
Print Icon
To Next Page IconTo Next Page
To Next Page IconTo Next Page
To Previous Page IconTo Previous Page
To Previous Page IconTo Previous Page
Loading...
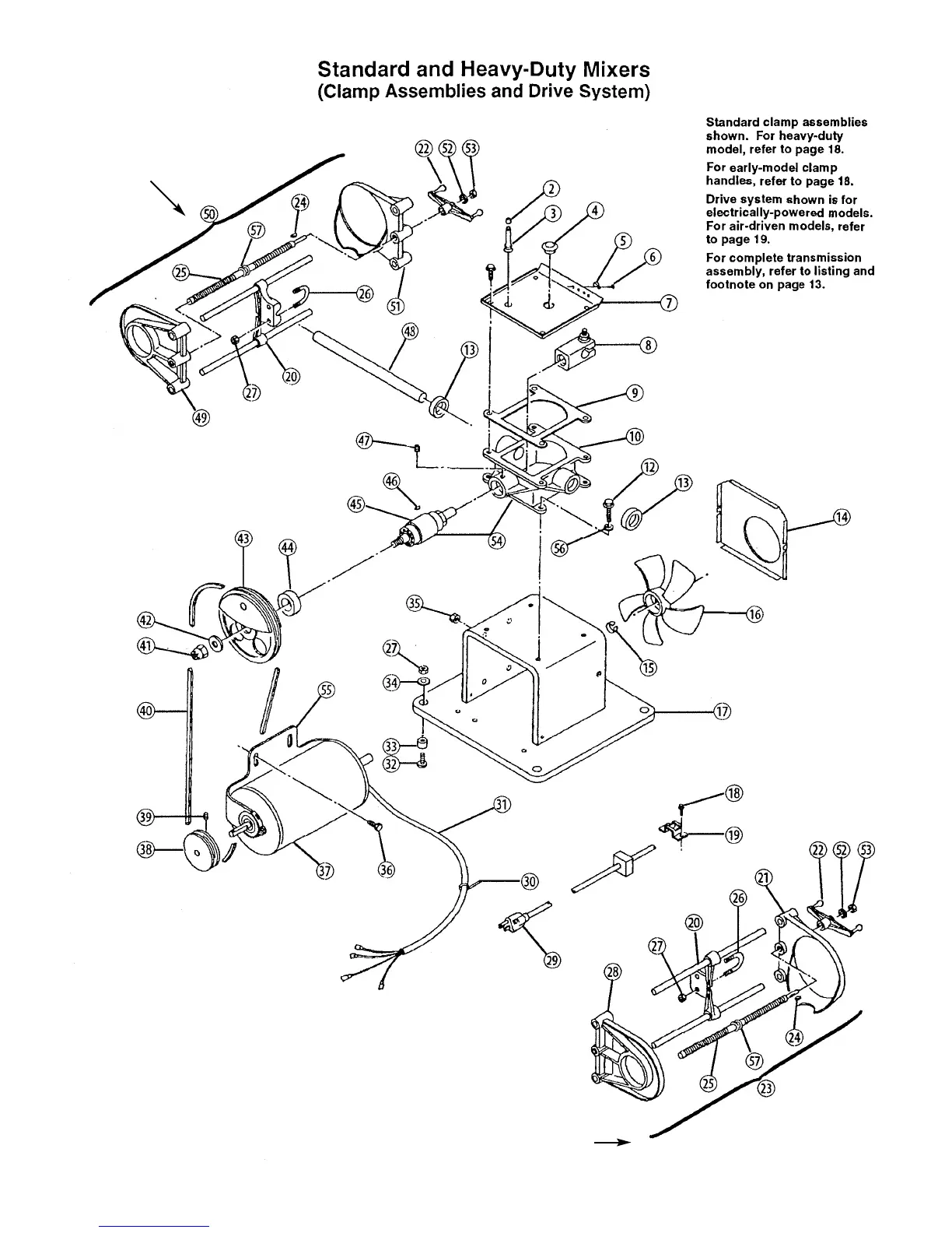
Right Clamp Assembly
0-5463-00 Standard
0-5465-00 Heavy Duty
Left Clamp Assembly
0-5462-00 Standard
0-5464-00 Heavy Duty
13

Related product manuals