EasyManua.ls Logo

RedMax RZT54x - Esquema

RedMax RZT54x
78 pages
Print Icon
To Next Page IconTo Next Page
To Next Page IconTo Next Page
To Previous Page IconTo Previous Page
To Previous Page IconTo Previous Page
Loading...
70
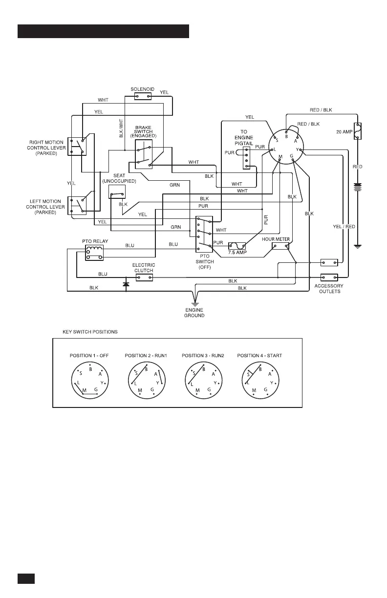
ESQUEMA

Table of Contents

Related product manuals