EasyManua.ls Logo

Regal SMARTVALVES - Page 22

Default Icon
36 pages
Print Icon
To Next Page IconTo Next Page
To Next Page IconTo Next Page
To Previous Page IconTo Previous Page
To Previous Page IconTo Previous Page
Loading...
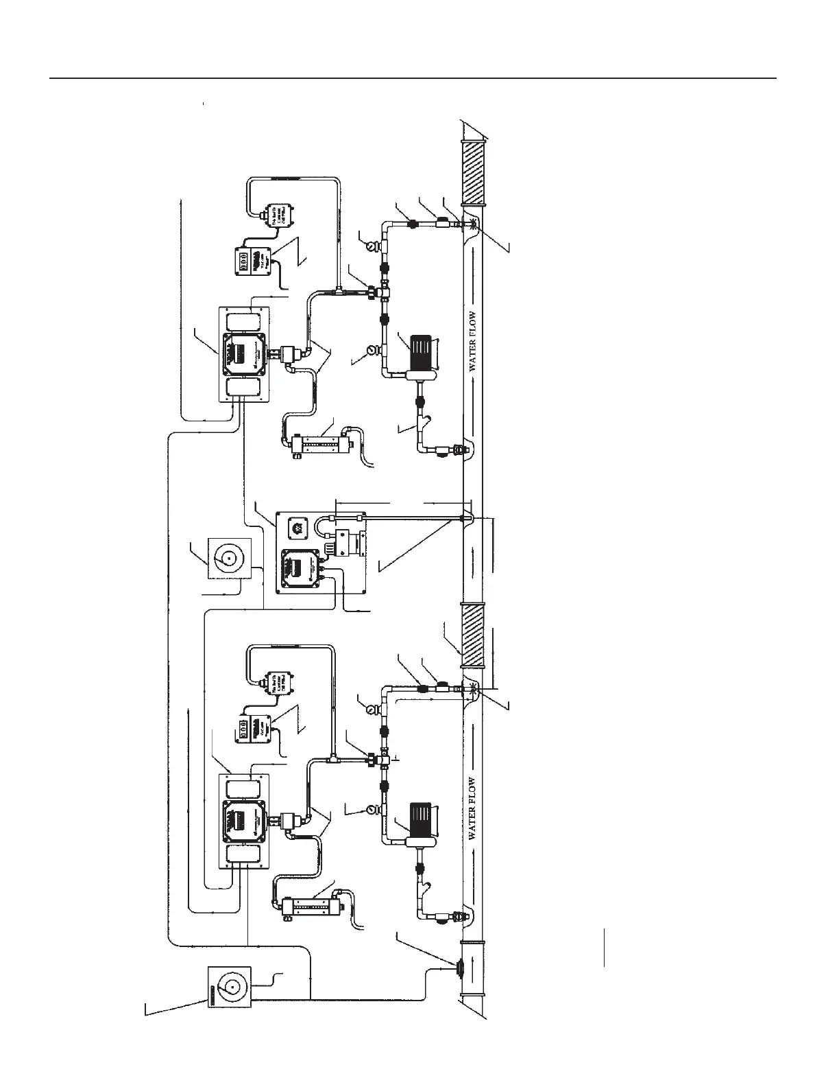
DRAWING NO. 4 — TYPICAL INSTALLATION
Compound Loop Control Chlorination System with Feed Forward Dechlorination
Flow Recorder (BY OTHERS)
REGAL 7500
Remote Meter
Assembly
REGAL 7500
Remote Meter
Assembly
GAS FLOW from
Vacuum Regulator
Vacuum
Tubing
Vacuum
Tubing
Isolation Valve (Typ.)
(BY OTHERS)
Booster Pump
(BY OTHERS)
Booster Pump
(BY OTHERS)
Y-Strainer
(BY OTHERS)
Y-Strainer
(BY
OTHERS)
Pipe Union (Typ.)
(BY OTHERS)
Residual
Sample Line
(BY OTHERS)
REGAL Ejector Assembly
REGAL Ejector Assembly
Lag Time
(T1)
Lag
Time
(T3)
Lag Time (T2)
Static Mixer
(BY OTHERS)
Chlorine Solution Injection into Center of Main Line
Sulfur Dioxide Solution Injection
into Center of Main Line
120/240 VAC
50/60 Hz
120/240
VAC
50/60 Hz
120/240 VAC
50/60 Hz
Residual Recorder
(BY OTHERS)
REGAL Model
CRA-5000
Residual Analyzer
Water Flow Meter
Flow Analog Signal (4-20mA DC)
Flow Analog Signal (4-20mA DC)
Residual Analog Signal (4-20mA DC)
4-20 Milliamp Analog Output Signal
4-20 Milliamp Analog Output Signal
NOTE:
The sole purpose of this drawing is to show the gas flow path through the REGAL System components
and the order in which these components are connected.
Gauge for
Supply
Pressure
(Ps)
Gauge for Supply
Pressure (Ps)
Gauge for Back
Pressure (Pb)
Isolation Valve (Typ.)
(BY OTHERS)
REGAL Remote Diffuser
(E-265)
Pipe Union (Typ.)
(BY OTHERS)
Gauge for Back
Pressure (Pb)
REGAL VAC-1000
Vacuum Monitor
120/240 VAC
50/60 Hz
REGAL SMARTVALVE™
Model 7009 for Dechlorination (Sulfur Dioxide)
REGAL
VAC-1000
Vacuum Monitor
22
GAS FLOW
from Vacuum
Regulator
REGAL SMARTVALVE™
Model 7009 for Chlorination

Related product manuals