EasyManua.ls Logo

Regency Fireplace Products Ultimate U39 - SIT 829 Valve Description; Aeration Adjustment; On Demand Pilot Light

Regency Fireplace Products Ultimate U39
60 pages
Print Icon
To Next Page IconTo Next Page
To Next Page IconTo Next Page
To Previous Page IconTo Previous Page
To Previous Page IconTo Previous Page
Loading...
30 | Regency
®
U39-12 ULTIMATE™ Freestanding Gas Stove
installation
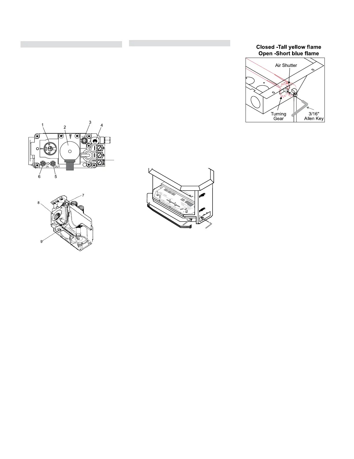
Aeration Adjustment
The burner aeration is factory set but may need
adjusting due to either the local gas supply or altitude.
U39 with 38,000 Btu/h
U39-NG12 Natural Gas: Full open
U39-LP12 Propane: Full open
U39 with 35,000 Btu/h
U39-NG12 Natural Gas: 3/8” open
U39 with 32,500 Btu/h
U39-LP12 Propane: 1/2” open
The aeration adjustment gears are located on the
right side of the burner box and can be accessed
from the side or from the front when the louvers
are removed.
To adjust the aeration: use the Allen key to turn
the turning gear which will adjust the air shutter.
Open the air shutter for a blue flame or close it for
a yellow flame.
Note: Any damage due to carboning
resulting from improperly setting
the aeration controls is NOT covered
under warranty.
Note: Aeration Adjustment should only
be performed by an authorized
Regency
®
Installer at the time of
installation or service.
Clockwise to open,
counter-clockwise to close.
Caution: Carbon will be produced if the air
shutter is closed too much.
SIT 829 Valve Description
1. Gas on/off knob
2. Electronically Operated Hi/Lo
3. Pilot Adjustment
4. Thermocouple Connection - option
5. Outlet Pressure Tap
6. Inlet Pressure Tap
7. Pilot Outlet
8. Main Gas Outlet
9. Alternative TC Connection Point

Table of Contents