EasyManua.ls Logo

REMS Tornado 2000 - Page 40

REMS Tornado 2000
42 pages
Print Icon
To Next Page IconTo Next Page
To Next Page IconTo Next Page
To Previous Page IconTo Previous Page
To Previous Page IconTo Previous Page
Loading...
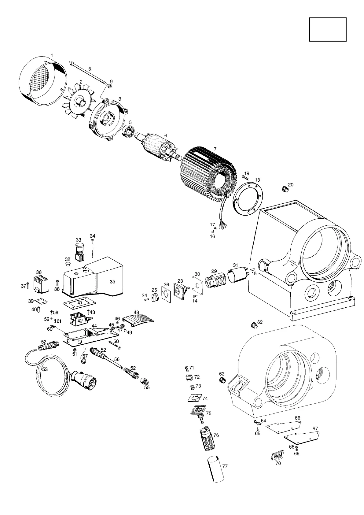
deu Elektrik eng Electrical fra Composants ita Parti elettriche
components électriques
Tornado 2020
Magnum 2020
Magnum 3020
Magnum 4020

Other manuals for REMS Tornado 2000

Related product manuals