EasyManua.ls Logo

Renault RC8D - Intermediate Pinion; Dismantling the Primary Shaft

Renault RC8D
138 pages
Print Icon
To Next Page IconTo Next Page
To Next Page IconTo Next Page
To Previous Page IconTo Previous Page
To Previous Page IconTo Previous Page
Loading...
RENSEIGNEMENTS TECHNIQUES
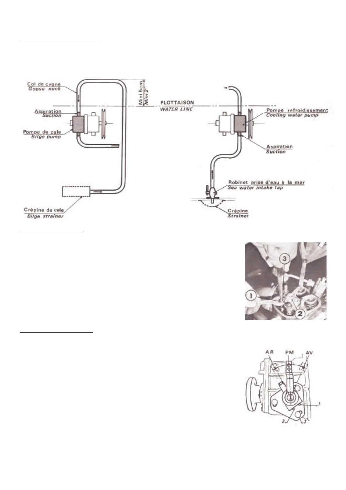
MONTAGE POMPE A EAU
Très important : Le tuyau d’aspiration de la pompe de cale doit comporter obligatoirement un col de cygne
dépassant d’au moins 5 cm le niveau de la flottaison.
Le non respect de cette prescription risque de créer une voie d’eau qui peut faire couler le bateau.
Fig 19
Fig 20
REGLAGE MOTEUR
Réglages des soupapes ( Fig. 19). Il doit être effectué à froid.
- Débloquer les contre-écrous 1
- Tourner les vis de réglages 3 jusqu’à amener les culbuteurs 2 en léger con-
tact avec les queues de soupapes.
- Dévisser les vis 3 d’un quart de tour
- Bloquer les contre-écrous 1
Ce réglage correspond à un jeu de soupapes de 0,2 mm
- Remettre le cache culbuteurs en changeant le joint si nécessaire.
REGLAGE INVERSEUR
Pour un fonctionnement correct de l’inverseur, il doit y avoir l’équivalence de
course point mort - marche avant et point mort - marche arrière.
Si cette condition n’est pas réalisée, il faut reprendre le réglage de l’inverseur
qui s’effectue en deux temps
a) Réglage de la course
Ce réglage consiste à positionner le bicône mâle par rapport aux cônes femel-
les lorsque le levier d’embrayage est au point mort.
- Débloquer et dévisser les vis autoserrantes de butée 1 et 2 (Fig.20) et les vis
3 de fixation du flasque d’embrayage.
- Mettre le levier d’embrayage au point mort
- Orienter le flasque d’embrayage dans un sens ou dans l’autre pour centrer le levier par rapport aux positions
marche avant, marche arrière.

Related product manuals