EasyManua.ls Logo

Renesas RL78/F24 - Internal Circuits of the E2 (When the RL78 Family Is Connected)

Renesas RL78/F24
58 pages
Print Icon
To Next Page IconTo Next Page
To Next Page IconTo Next Page
To Previous Page IconTo Previous Page
To Previous Page IconTo Previous Page
Loading...
E1/E20/E2/E2 Lite Additional Document 2. Designing the User System
R20UT1994EJ0900 Rev.9.00 Page
33
of 58
Jan.20.22
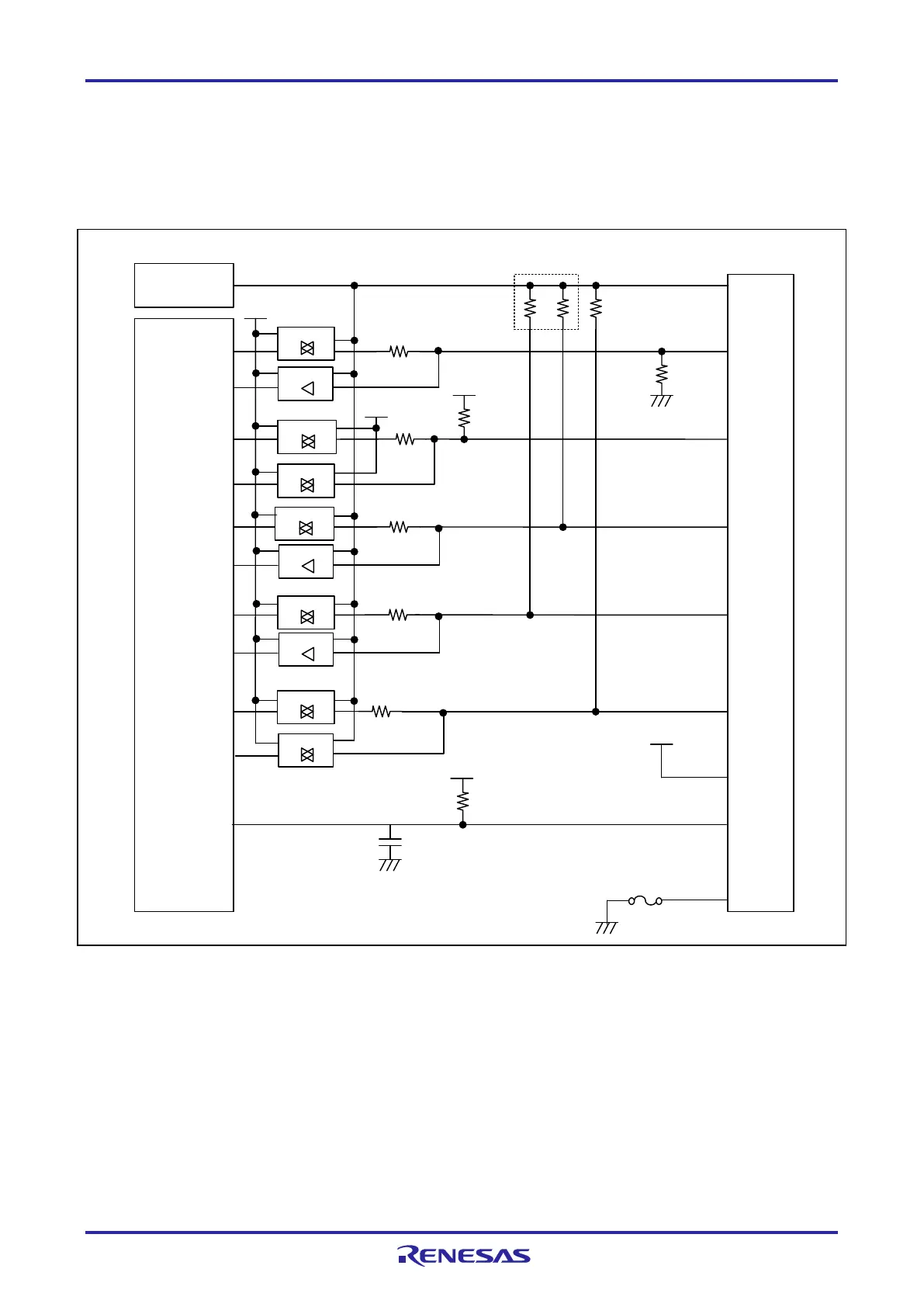
2.6.3 Internal Circuits of the E2 (when the RL78 Family is Connected)
Figure 2-18 and Figure 2-19 respectively show the internal circuits of product revisions C and D of the E2
with the RL78 family connected.
The alphabet at the end of the serial No. written on the E2 main unit indicates the product revision.
3 MW
RSTPU
VDD
4
8
3.3 V
EMVDD
TOOL0
5
EMVDD
6
RESET_IN
10
RESET_OUT
3.3 V
100 kW
GND
14
13
RESET_OUT
2,12
GND
EMVDD
EMVDD
9
1 MW
74LVC1T45
74LVC1T45
74LVC1T45
74LVC1T45
74LVC1T45
0.1 F
100 kW
74LVC1T45
Emulator
control
circuit
Power-supply circuit
(only for use in the mode to
supply power to the user
system)
User-side
connector
Self-recovering
fuse
47 W
47 W
47 W
47 W
47 W
1 MW × 2
74LVC1T45
74LVC8T245
74LVC8T245
74LVC8T245
Figure 2-18 Internal Circuits of the E2 (Rev. C)
Set the switch on the 20-pin (1.27-mm pin spacing) to 14-pin (2.54-mm pin spacing) connector conversion
adapter to position “3”.

Table of Contents

Related product manuals