EasyManua.ls Logo

REP ARES - Page 35

REP ARES
57 pages
Print Icon
To Next Page IconTo Next Page
To Next Page IconTo Next Page
To Previous Page IconTo Previous Page
To Previous Page IconTo Previous Page
Loading...


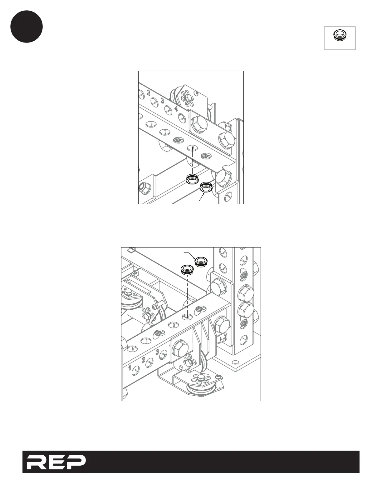
15
REPEAT FOR OTHER SIDE
10-0328
10-0328
X8
10-0328

Related product manuals