EasyManua.ls Logo

RESERVE V2 - Page 7

Default Icon
80 pages
Print Icon
To Next Page IconTo Next Page
To Next Page IconTo Next Page
To Previous Page IconTo Previous Page
To Previous Page IconTo Previous Page
Loading...
7
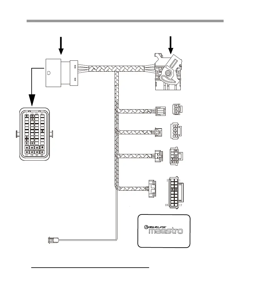
Harness! Connect to Motorcycle: Connect to V2 (Headunit):
Note: The Maestro Box is not included.
Connect to External Amplifier:
Included Harness
Connect to iDatalink Maestro Rr2 Compatible
Rr
Black......................... Ground
Red.............................ACC
Yellow......................Battery
3- Pin Connector
10- Pin Connector
18- Pin Connector
4- Pin Connector
1
1
1
2
9
10
4
3
Blue/White...........UART-RX
Gray/White..........UART-TX
Black/White.........UART-GND
Red/White............UART-12V
1. CAN- Green/White)
8. RL-Green/Black)
9. RL+ Green)
10. RR+(Purple)
11. FL-(White/Black)
12. FR+(Gray)
13. CAN+( Purple/White)
14. Remote Control(Blue)
22. RR-(Purple/Black)
23. FL+(White)
24. FR-(Gray/black)
35. GND(Black)
36. Battery +(Yellow)
42. UART-RX(Blue/White)
47. GND(Black)
48. Battery + (Yellow)
1.Orange/White............Illumination
5.Pink/White....................SPD
7.Blue/White....................UART-RX
8.Blue.................................Auto Amplifier
9.Blue....................................Remote Control
10.Blue....................................Remote Control
CAN+.................... Green /White
CAN-...................... Purple /White