EasyManua.ls Logo

Revox B260 - Page 108

Revox B260
Print Icon
To Next Page IconTo Next Page
To Next Page IconTo Next Page
To Previous Page IconTo Previous Page
To Previous Page IconTo Previous Page
Loading...
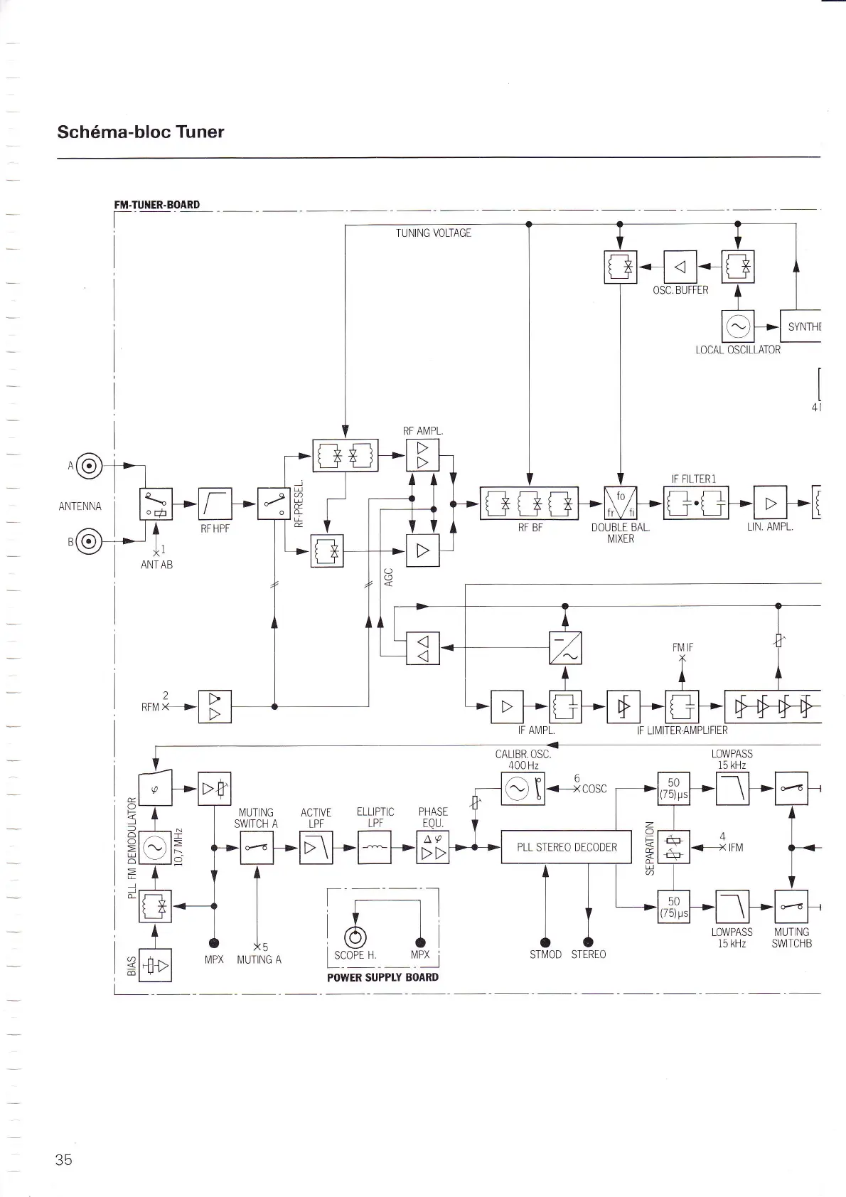
Sch6ma-bloc
Tuner
FM.TUNER.BOARD
t--
TUNING VOTTAGE
ELLIPTIC PHASE
LPF EOU.
SYNTHI
LOCAL OSCILLATOR
LOWPASS IVUT]NG
15 kHz
SWITCHB
I
4I
A
ANTENNA
B
t
l1
DOUBLE
BAL
I\IIXER
ANT AB
F
F
E
O
,<
)
=
o
O
U
ö
L
J
J
L
fulUTING
ACTIVE
SWITCH A LPF
STIMOD STERIO
RF BF
I
tr*H*
IF LIIV]ITER
AI\{PLlFIER
+
E
l
t
Gil
GGG
G.G
,1
\tt
ot
A9
PLL STERTO DECODER
35
POWER
SUPPLY
BOARD

Related product manuals