EasyManua.ls Logo

Revox B261 - Replacing Lamps and Fuses; Removing Internal PCBs and Components

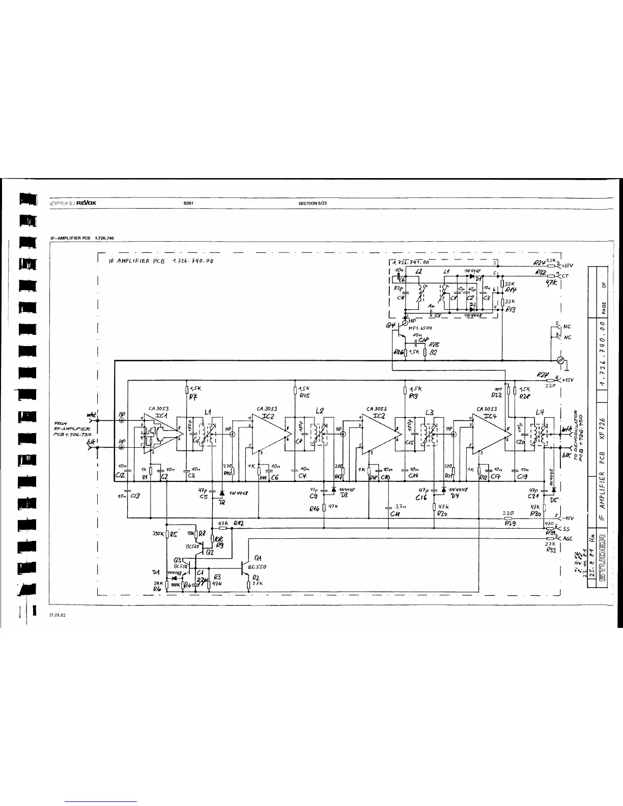
Revox B261
46 pages
To Next Page IconTo Next Page
To Next Page IconTo Next Page
To Previous Page IconTo Previous Page
To Previous Page IconTo Previous Page
Loading...

Other manuals for Revox B261

Related product manuals