EasyManua.ls Logo

Revox B261 - Page 102

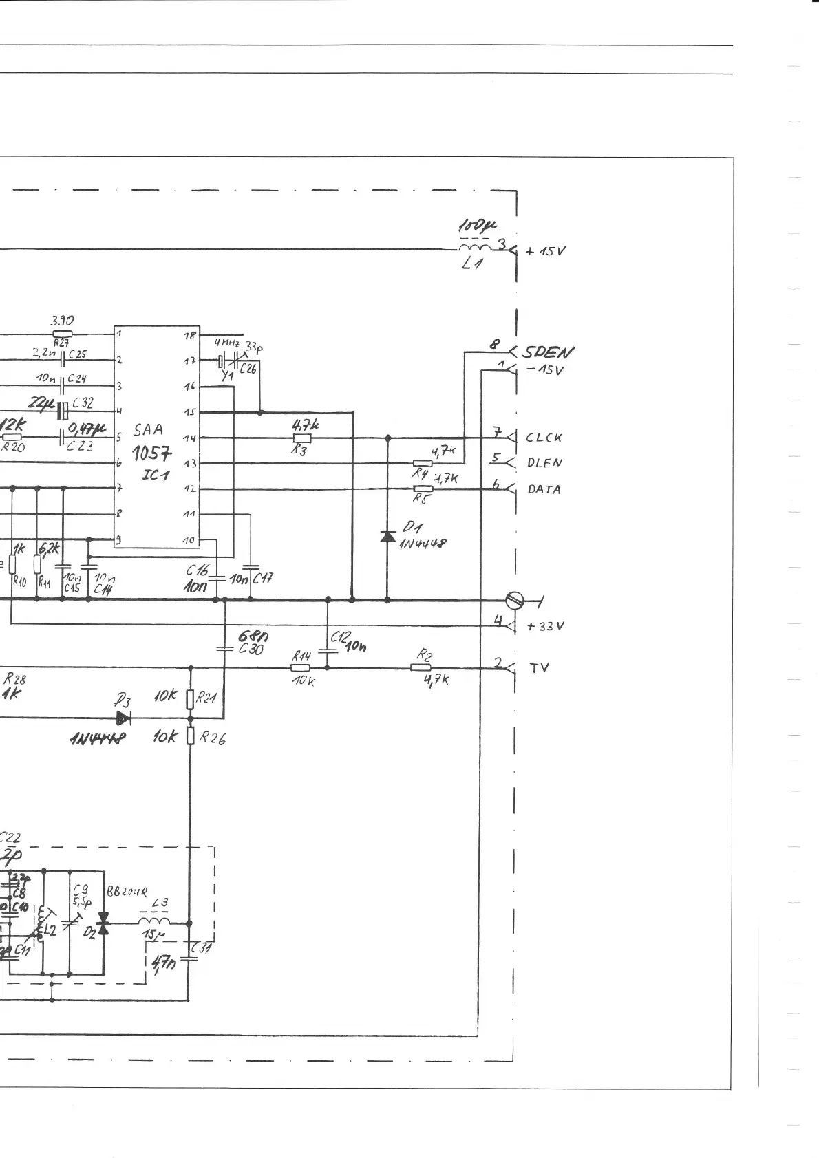
Revox B261
Print Icon
To Next Page IconTo Next Page
To Next Page IconTo Next Page
To Previous Page IconTo Previous Page
To Previous Page IconTo Previous Page
Loading...
ri
+
,lSV
.9D81/
-4Sv
CLCK
DLEN
DATA
Rzs
fk
40k
tlt7k
2i4
Q
_!1
45*
--
|
4fr?
1tg
L
4L
74(
4-r
sAA
4q
1057
,r!
rc-/
4L
44
Kf,
2.t
/N+4(?
,,;il
;;;
6€t?
cfr
,ut/
?40,
=i-)''

Other manuals for Revox B261

Related product manuals