EasyManua.ls Logo

Revox B261 - Page 109

Revox B261
Print Icon
To Next Page IconTo Next Page
To Next Page IconTo Next Page
To Previous Page IconTo Previous Page
To Previous Page IconTo Previous Page
Loading...
STTIJDtrR ]rd/OX
8261
sEcTtoN
5/23
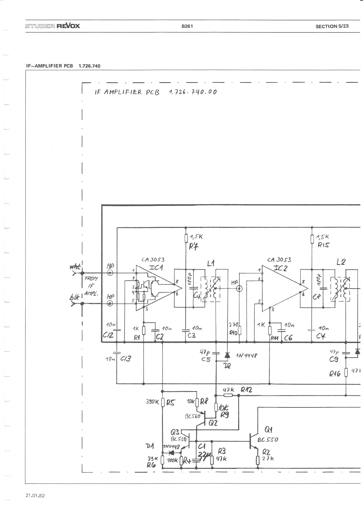
IF-AMPLIFIER PCB 1.726.740
t-,
F AMPLIFIER
PCß
4,726,
7qO,
OO
,of
cB
D4
39K
Q6
Q{
BCgSO
QZ
27k
4,SK
plr
u
cA
3os3
:""
I
a0n
'c6
T
c+
q7P
C3
pt6
47k An
PS
10R

Other manuals for Revox B261

Related product manuals