EasyManua.ls Logo

Revox B261

Revox B261
136 pages
Go to English
To Next Page IconTo Next Page
To Next Page IconTo Next Page
To Previous Page IconTo Previous Page
To Previous Page IconTo Previous Page
Loading...
STUDtrR REVOX
sEcTtoN
5/25
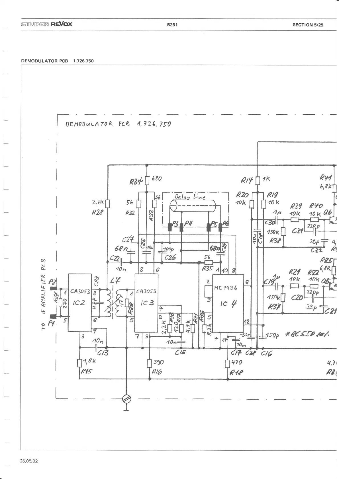
DEMODULATOR
PCB 1.726.750
I-
I
pertooucnro
R
Pcß
,1,72(.750
-tR
eu
b,8k
Rtg
70R
p??
Pfo
4f
4ok
ox
QQ
Hc 1q3
6
tc
,/
330
p/6
2t?'K
R2e
PI
qt
a-
a(
l{J
l{
-J
q-
t
g
o
F
R2t
,4(
1'-
pn6,8t<
33P
4
zT
pl
a0k
ür
4
cff
clt
6:15
t+70
Pf"
ßr
she
)1tr€JVel
4,lr
Plt
t_

Other manuals for Revox B261

Related product manuals