EasyManua.ls Logo

Revox B261

Revox B261
136 pages
Go to English
To Next Page IconTo Next Page
To Next Page IconTo Next Page
To Previous Page IconTo Previous Page
To Previous Page IconTo Previous Page
Loading...
STIJDtrR
REVOX
8,261
sEcTtoN
5/27
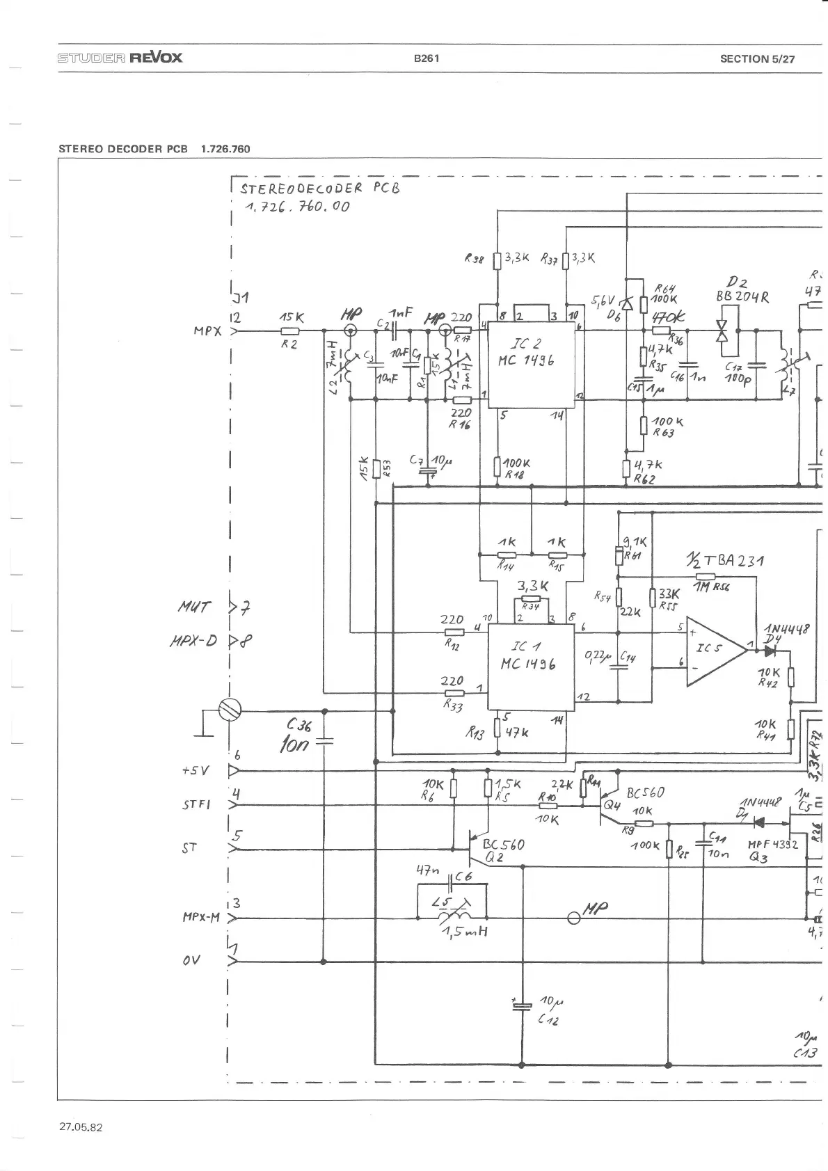
STEREO
DECODER PCB 1.726,760
lJteee,
G.ooe
P
rce
'l
''72("
760'
oo
i
l.n
t2
4sK
qc
1,'F r-f-r.
Ri
q7
R6/
4o0K
(7*
2z
BB
ZOI|
R
ltrBAzz-r
|
^'
I
i
I
I
I
I
H(T
I+
I
HP|-D
Pf
I
-T,
lon
+sV
JTFI
sr
HPx-t1
0v
2,*4,Sx
AI
!
\.l
q<l
4(
){
{
1,i
4p
b,
n%
(43
2ZO
10
Bcs(,
4oo\
Az
9-u
nrorrrf
27.05.82

Other manuals for Revox B261

Related product manuals