EasyManua.ls Logo

Revox B261

Revox B261
136 pages
Go to English
To Next Page IconTo Next Page
To Next Page IconTo Next Page
To Previous Page IconTo Previous Page
To Previous Page IconTo Previous Page
Loading...
sruotrR nd/ox
8261 SA sEcrtoN
3/3
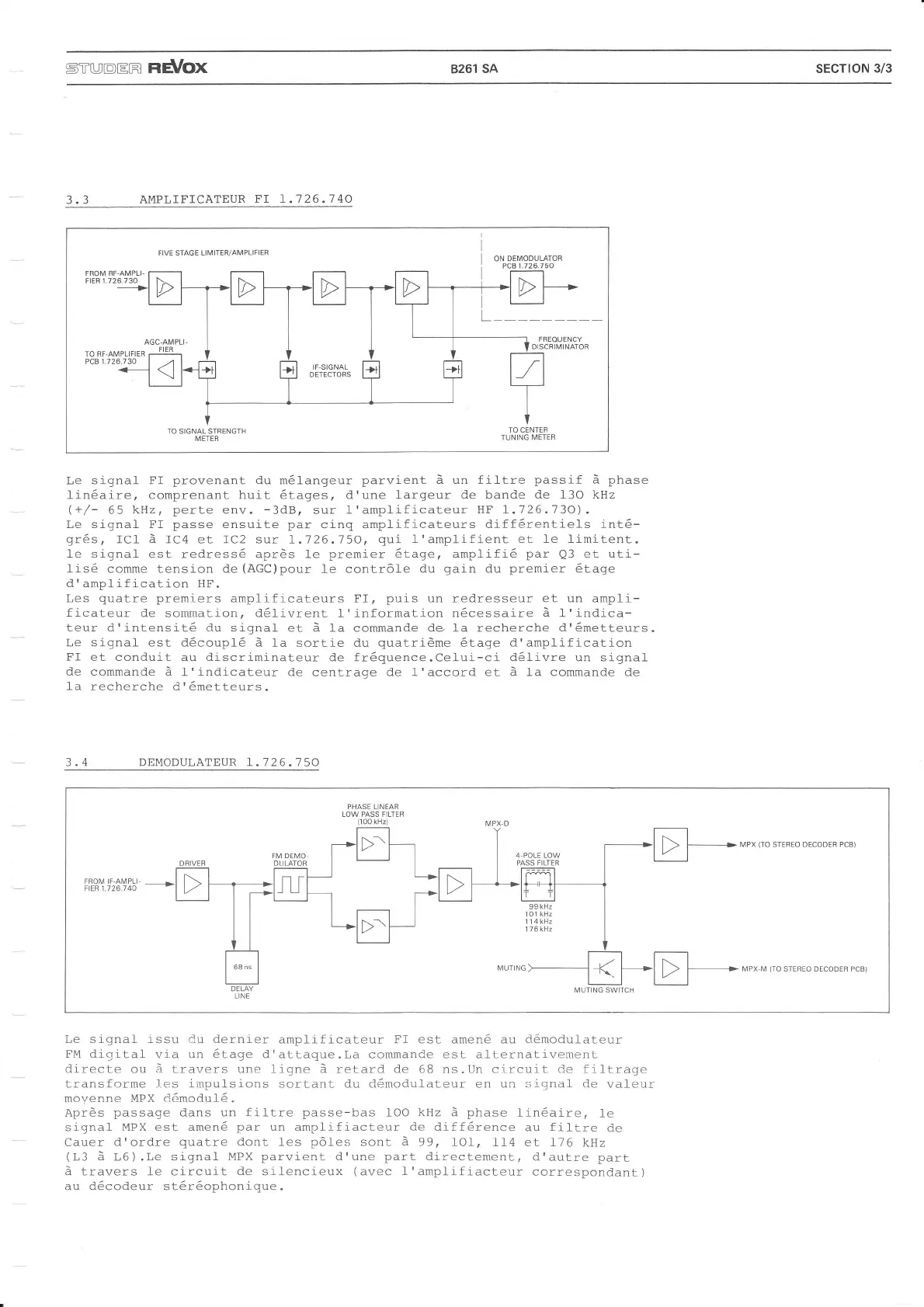
3.3
AMPLIFICATEUR
FI
L.726.740
FIVE STAGE LIMITER/AMPLIFIER
ON DEMODUNTOR
PCB 1.7 26 .1 50
FIER 1.726.730
FBEOUENCY
DISCRIMINATOR
TO RF,AMPLIFIER
PCB 1 726.730
TO SIGNAL STRENGTH
METEN
TO CENTER
IUNING METER
Le signal FI
provenant
du m6langeur
parvient ä un fiftre
passif
ä
phase
lin6aire, comprenant huit 6tages, d'une largeur de bande
de f30 kHz
(+/-
65
kHz,
perte
env.
-3d8,
sur 1'amplificateur
HF
I.726.130).
Le signal FI
passe
ensuite
par
cinq amplificateurs
diff6rentiels
int6-
gr6s,
ICl ä IC4 et IC2 sur L.126.750,
qui 1'amplifient
et
1e fimitent.
le
signal est redress6 aprös 1e
premier 6tage,
amplifi6
par
Q3
et
uti-
1is6 comme tension de
(AGC)pour
le
contr6le
du
gain
du
premier
ätage
d'amplification
HF.
Les
quatre premiers
amplificateurs FI,
puis
un redresseur
et un
ampli-
f icateur
de sommation, d6livrent. .l'inf
ormat,ion
n6cessaire
ä
l-'indica-
teur d'intensit6 du
signal et ä ta commande de 1a recherche
d'6metteurs.
Le signal est d6coupl6 ä
Ia sortie du
quatriöme
6tage
d'amplificatlon
FI
et conduit
au
discriminateur
de fr6quence.Celui-ci d6fivre un signal
de commande ä
f
indicateur
de
centrage
de l'accord et ä fa commande de
.Ia recherche
d'6metteurs
-
3.4 DEMODULATEUR 1.726.750
MPX
[O
STEREO DECODER PC8)
4 POLE LOW
PASS FILTEB
FROM
IF AMPL.
FIER 1 .1 26
.1 40
MPX M
{TO
STEREO DECODER PCB)
DEUY
LINE
Le signal issu C.u dernier
ampliflcateur FI est amen6 au d6modulateur
FM digital
via un 6tage d'attaque.La commande est afternativement
directe
ou
ä
lravers
une
ligne ä retard de 68 ns.Un circuit de filtrage
transforme J.es impulsions sortant du d6modulateur en un:;iqna1 de
valeur
movenne MPX
cL<imodut6.
Aprös
passage
dans un filtre
passe-bas
lOO kHz ä
phase
lin6aire,
le
signal
MPX est amen6
par
un amptifiacteur
de
diff6rence
au
filtre
de
Cauer
d'ordre
quatre
dont les
p61es
sont
ä
99, fO1,
114 et 176
k1z
(L3
ä
L6).Le signal
MPX
parvient
d'une
part
directement,
d'autre
part
ä travers 1e circuit de silencieux
(avec
I'amplifiacteur
correspondant)
au döcodeur st6r6ophoni.que.

Other manuals for Revox B261

Related product manuals