EasyManua.ls Logo

Revox B261 - Page 81

Revox B261
Print Icon
To Next Page IconTo Next Page
To Next Page IconTo Next Page
To Previous Page IconTo Previous Page
To Previous Page IconTo Previous Page
Loading...
sTT'DtrR RÄ/OX
sEcTtoN 5/7
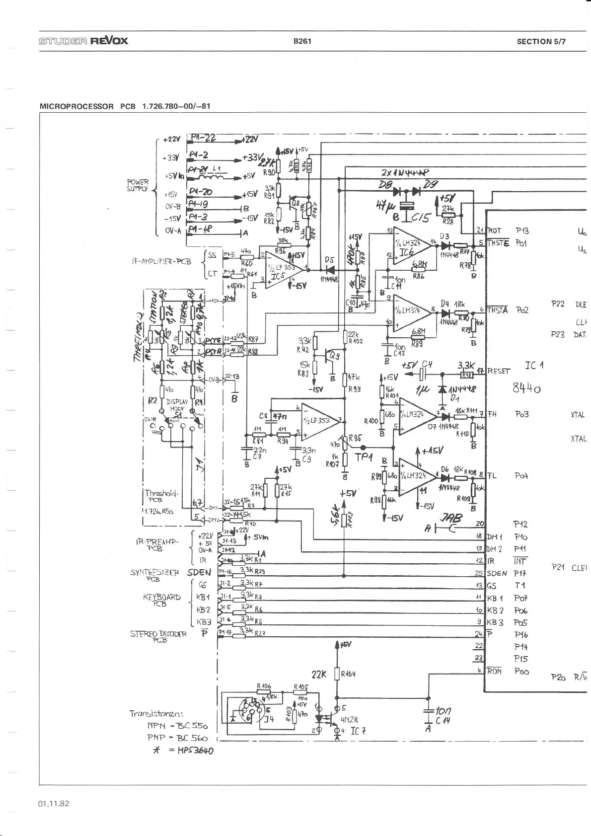
MICRoPROCESSOR
PCB
1.726.780-OOFA1
,zzt
W2---------+
,"*
lrr-,
r
,331
!'1-
-...\s-z-t:-
Ir
2x{U+{+*{)
FOl,lFR
sl.^t?tJ
tl"
us
slAlt
o
IC4
644o
Po3
?12
P4o
P{l
m
PI?
T1
Pol
PoL
Fos
P4b
P1{
Pts
Poo
P22
Dlr
cLI
P23
DÄT,
NAL
XTAL
??4
CLFI
Ittrotnota-
IRB
r.t.?26.850.
t___-
IR.PREAI.{P-
"(B
SYNTiiFSIZFF
KFYBOARD
":3
f +TzV
l+sv
'l
ov-r
Ln
SDEN
fcs
I
t<st
l*t
I
xer
F-
4
2
3
SIERFCDEODTN
Trqnjsbran:
1'1P6
=3Cs5o
PNP -
BC560
ff
Dq 4sk
R,t02
+tk
R53
R
9.t
Bfl$
r-rsv
,#-
7Y
=
HPc3eFg
o1 .11.82
t-
PZo
R/ra

Other manuals for Revox B261

Related product manuals