EasyManua.ls Logo

Revox B261 - Page 97

Revox B261
Print Icon
To Next Page IconTo Next Page
To Next Page IconTo Next Page
To Previous Page IconTo Previous Page
To Previous Page IconTo Previous Page
Loading...
STIJDtrR
Rd/OX
sEcTloN
s/l6
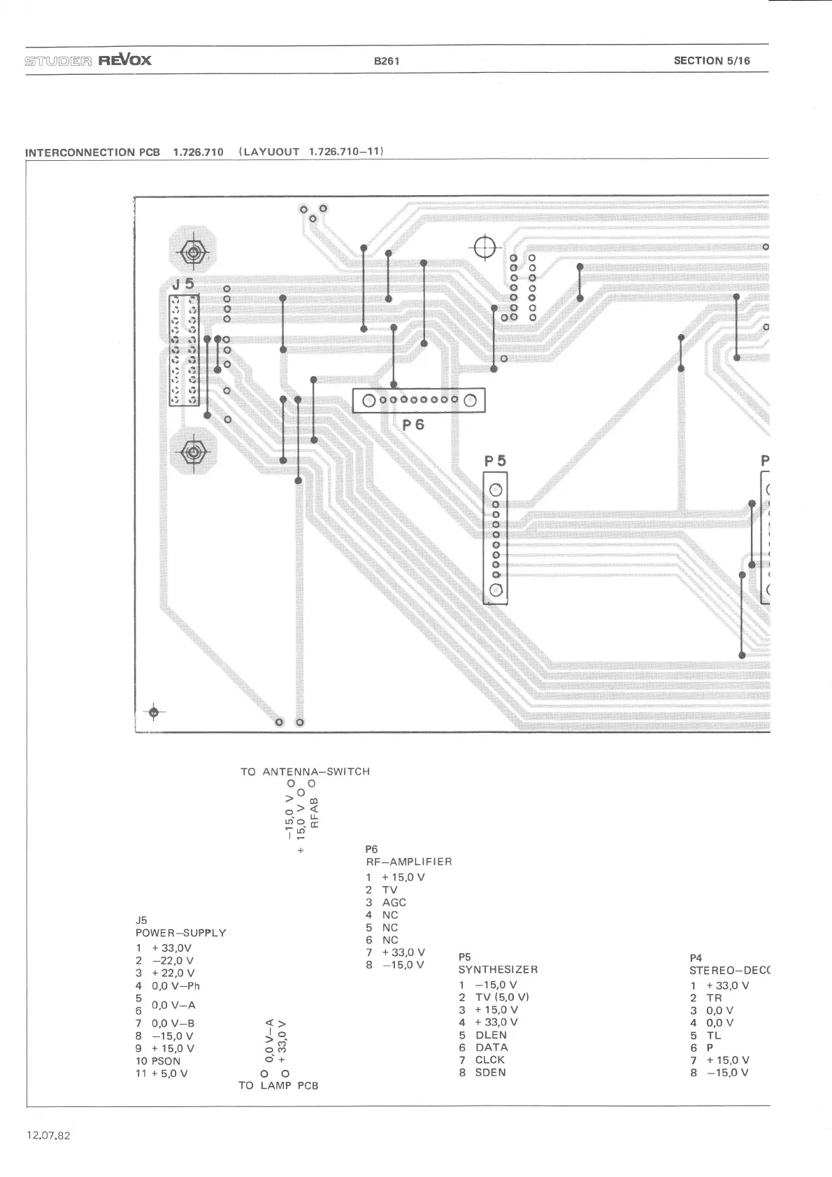
TNTERCONNECTION
PCB 1.726.710
(LAYUOUT
1.726.710-111
s.s
::
,o:
l
J5
POWER-SUPPLY
1
+
33,0V
2
-22,O
V
3
+22,OV
4 0,0 v-Ph
tr
ö
0,0
v-A
7 0,0 v-B
I
-15,0
V
I
+15,0V
1O PSON
11
+5,0V
P5
SYNTHESIZER
1
-15,0
V
2
rv
(5,0
v)
3
+
15,0 V
4
+33,0V
5
DLEN
6
DATA
7
CLCK
8
SDEN
P4
STE
REO-DEC(
1
+33,0V
2TR
3 o,0v
4 0,0v
5TL
6P
7
+
15,0 V
I
-15,0
V
TO ANTENNA-SWITCH
oo
tot
o> {
?Eä
-l
6
>
c.i
o(t
d+
oo
LAMP PCB
P6
RF_AMPLIFI ER
1
+
15,0 V
2TV
3 AGC
4NC
5NC
6NC
7
+33,0V
I
-15,O
V
12.07.82

Other manuals for Revox B261

Related product manuals