EasyManua.ls Logo

Revox B760 - Page 101

Revox B760
119 pages
Print Icon
To Next Page IconTo Next Page
To Next Page IconTo Next Page
To Previous Page IconTo Previous Page
To Previous Page IconTo Previous Page
Loading...
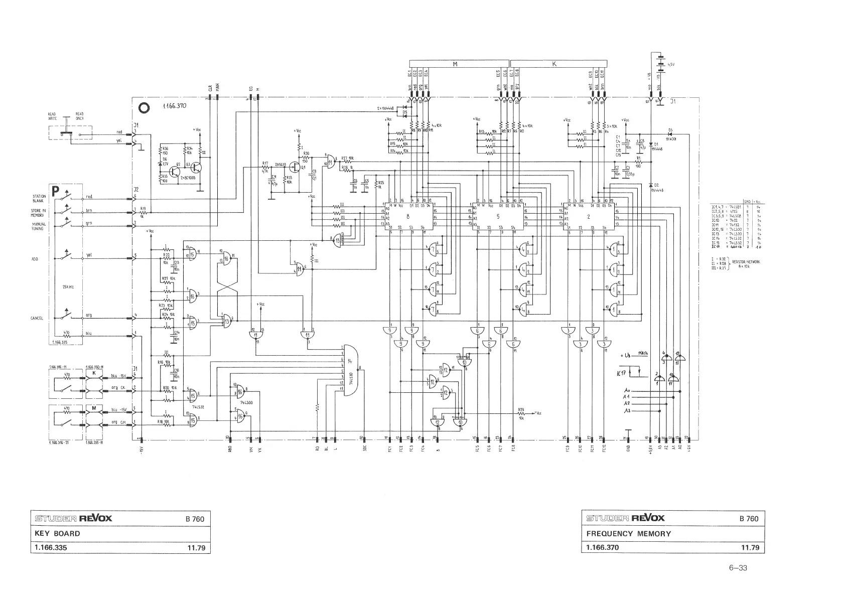
RI^OX B760
KEY
BOARD
Rf^OX
FREQUENCY
MEMORY
1.166.335
11.79
1.166.370