EasyManua.ls Logo

Revox B760 - Page 88

Revox B760
119 pages
Print Icon
To Next Page IconTo Next Page
To Next Page IconTo Next Page
To Previous Page IconTo Previous Page
To Previous Page IconTo Previous Page
Loading...
MONO
1
MUTING MODE
OV blk
1S-I9R
Ri^ox
B
760
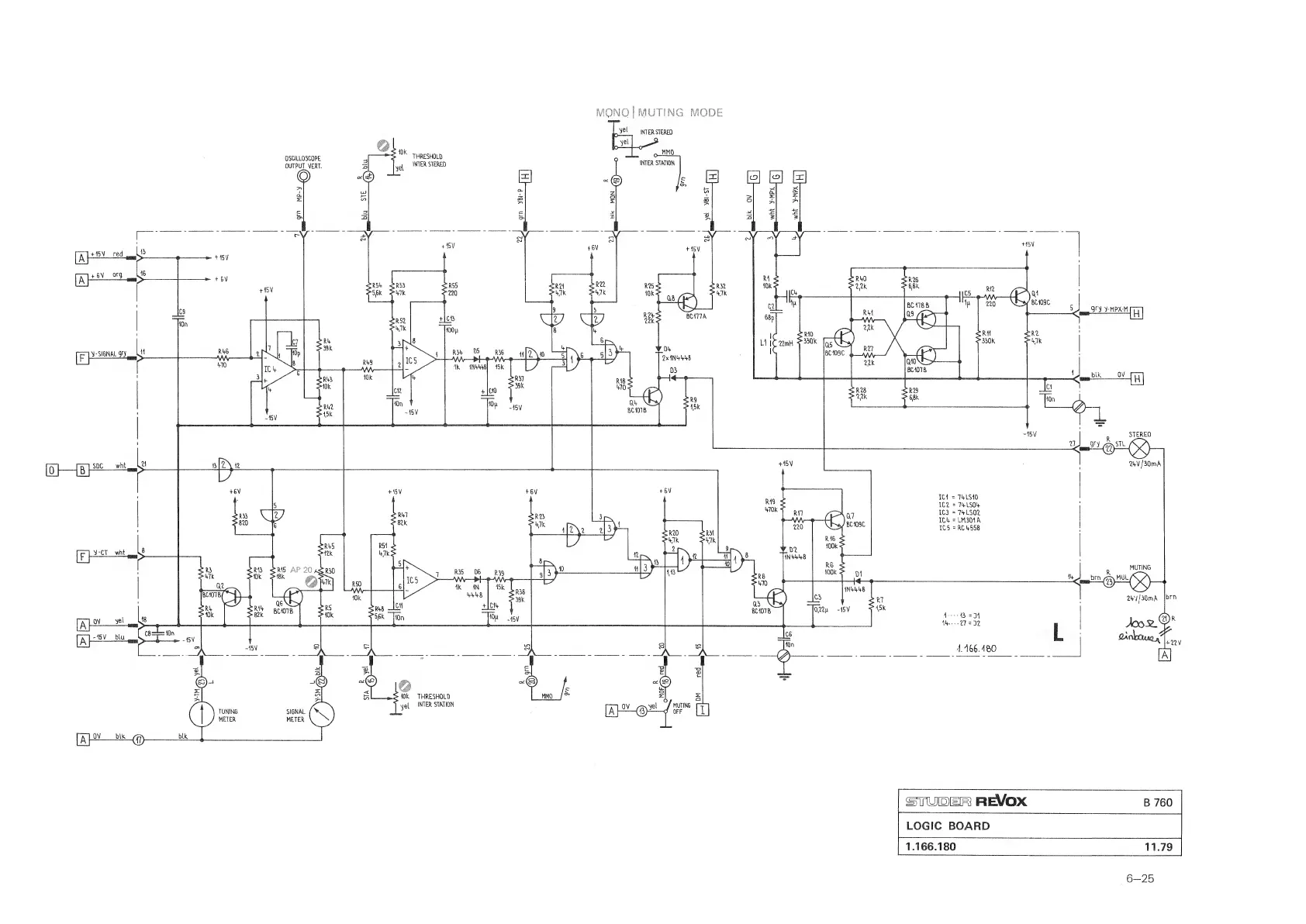
LOGIC
BOARD
1.166.180
11.
7S