EasyManua.ls Logo

RIB KING FAST - Page 11

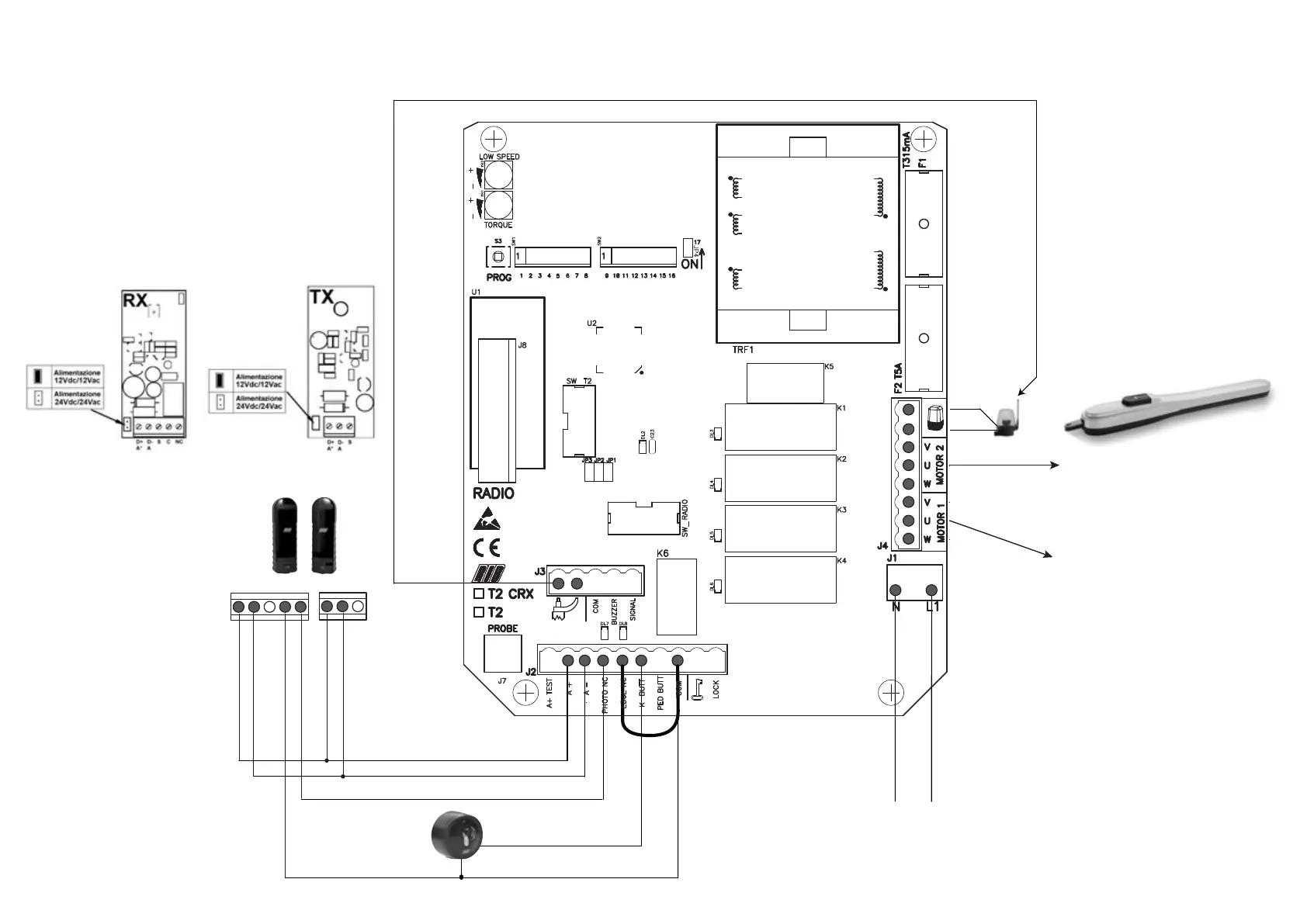
RIB KING FAST
Print Icon
To Next Page IconTo Next Page
To Next Page IconTo Next Page
To Previous Page IconTo Previous Page
To Previous Page IconTo Previous Page
Loading...
AERIAL
24Vdc
für die
STROMVERSORGUNG
DES ZUBEHÖRS
LICHTSCHRANKEN
K BUTTON
COM
STROMVERSORGUNG
230V 50-60Hz
A* A S C NC A* AS
ANTENNE – Ein koaxiales Kabel RG58 verwenden
COM-EDGE
ÜBERBRÜCKEN
A* A Die Polarität der
Lichtschranken-Stromversorgung
beachten
MOTOR 2
MOTOR, DER ZUERST SCHLIESST
KONDENSATOR ZWISCHEN V2 und W2 anschließen
U2 => 3
V2 => 1
W2 => 2
MOTOR 1
MOTOR DER ZUERST ÖFFNET
KONDENSATOR ZWISCHEN V1 und W1 anschließen
U1 => 3
V1 => 1
W1 => 2
KURZE GEBRAUCHSANWEISUNG FÜR KING FAST MIT T2-CRX

Related product manuals