EasyManua.ls Logo

RIB KING FAST - Page 13

RIB KING FAST
Print Icon
To Next Page IconTo Next Page
To Next Page IconTo Next Page
To Previous Page IconTo Previous Page
To Previous Page IconTo Previous Page
Loading...
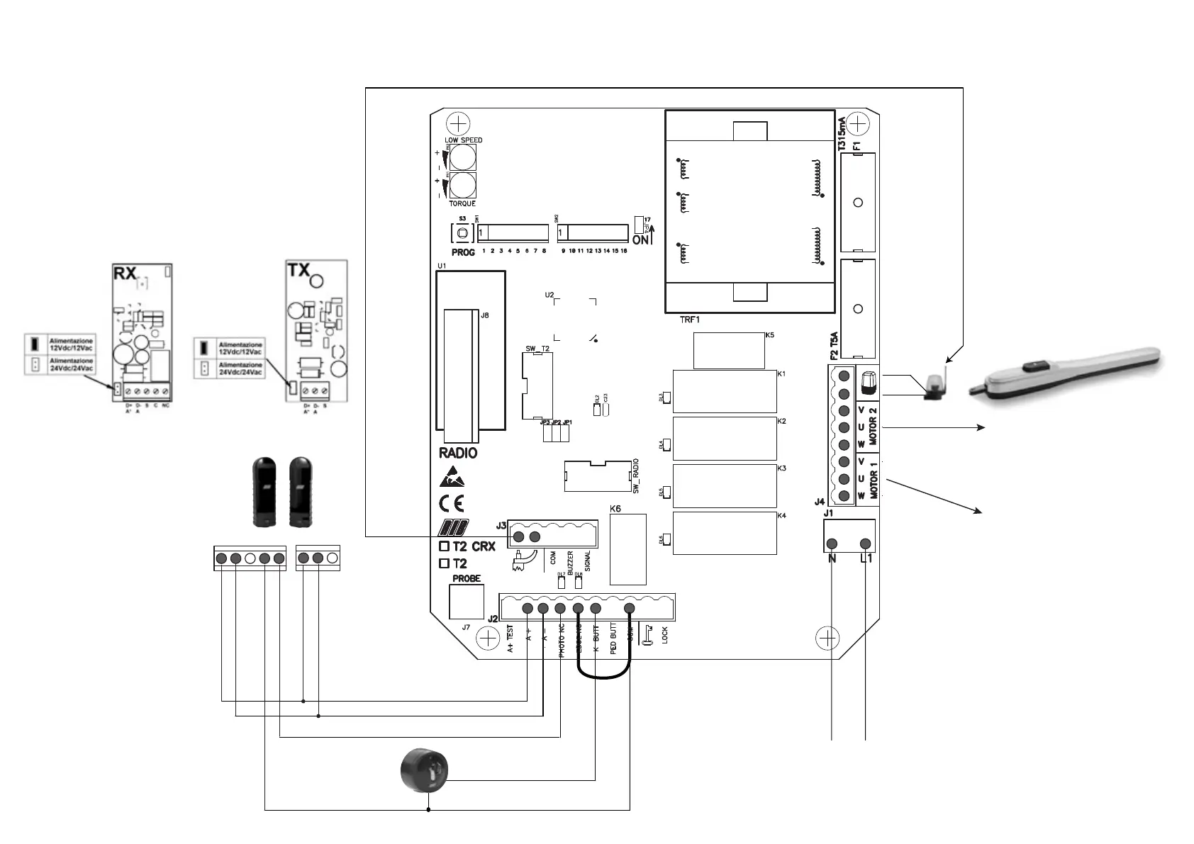
AERIAL
24 В ПОСТ.
ТОКА ДЛЯ ПИТАНИЯ
ДОПОЛНИТЕЛЬНЫХ УСТРОЙСТВ
ФОТОЭЛЕМЕНТЫ
K BUTTON
COM
ПИТАНИЕ
230 В 50-60 Гц
AНТЕННАИспользовать коаксиальный кабель RG58
УСТАНОВИТЬ МОСТ
COM-EDGE
A* A Соблюдать полярность
питания фотоэлементов
ДВИГАТЕЛЬ 2
ДВИГАТЕЛЬ, ВЫПОЛНЯЮЩИЙ ЗАКРЫТИЕ ПЕРВЫМ
СОЕДИНИТЬ КОНДЕНСАТОРЫ СЗАДИ V2 и W2
U2 => 3
V2 => 1
W2 => 2
ДВИГАТЕЛЬ 1
ДВИГАТЕЛЬ, ВЫПОЛНЯЮЩИЙ ОТКРЫТИЕ ПЕРВЫМ
СОЕДИНИТЬ КОНДЕНСАТОРЫ СЗАДИ V1 и W1
U1 => 3
V1 => 1
W1 => 2
A* A S C NC A* AS
УПРОЩЕННЫЕ ИНСТРУКЦИИ ДЛЯ KING FAST С T2-CRX

Related product manuals