EasyManua.ls Logo

RIB KING FAST - Page 15

RIB KING FAST
Print Icon
To Next Page IconTo Next Page
To Next Page IconTo Next Page
To Previous Page IconTo Previous Page
To Previous Page IconTo Previous Page
Loading...
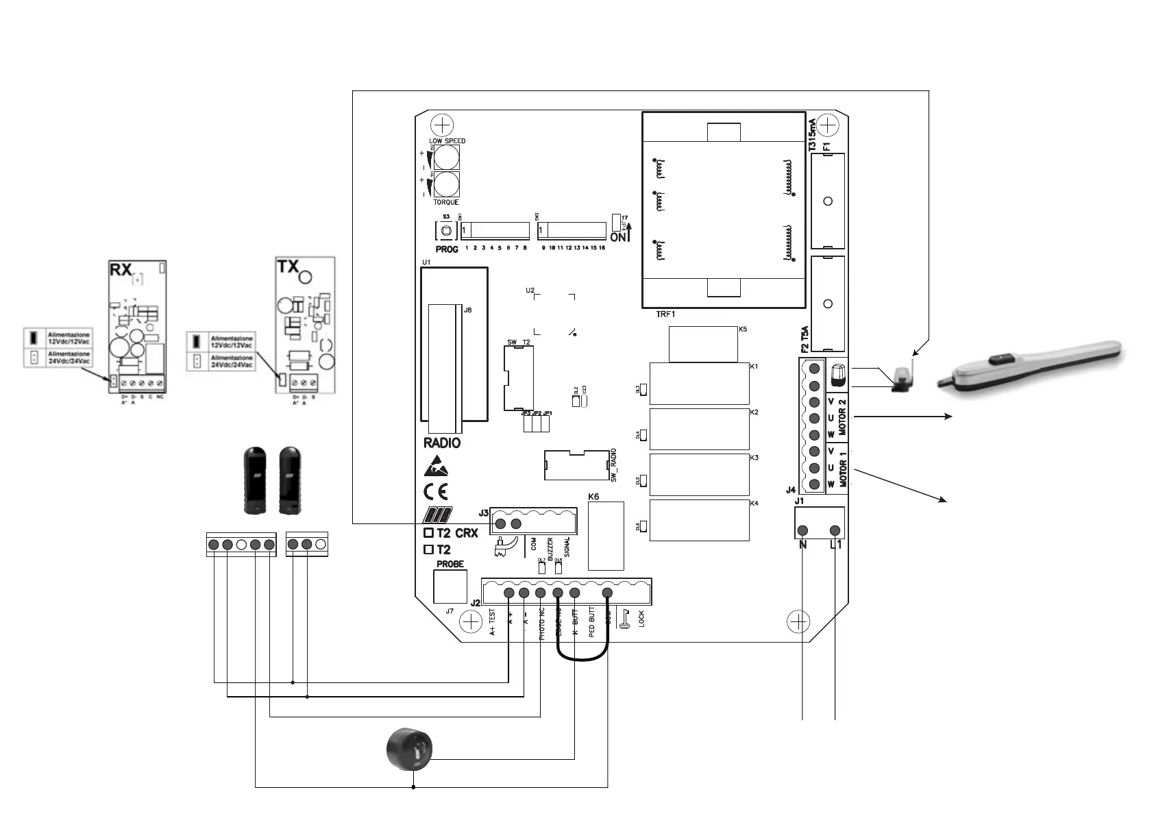
AERIAL
K BUTTON
COM
A* A S C NC A* AS
2ȤǞůǞƓȚ
ȹ
ǽȶȖǘƴưƁȸnjŽȚȤǞůǞƓȚ
W2ȶV2ƞŮǗƅƳžǚƸǧǞƄŮǛŻ
U2 => 3
V2 => 1
W2 => 2
1ȤǞůǞƓȚ
ȹ
ǽȶȖljƄƱƁȸnjŽȚȤǞůǞƓȚ
W1ȶV1ƞŮǗƅƳžǚƸǧǞƄŮǛŻ
U1 => 3
V1 => 1
W1 => 2
ǠŮǍƷƳŽȚȤƾƸƄŽƾŮǀƁnjưƄŽȚȜNjŲȶ
ǎůǍƀa 50-60ǁŽǞź230
ǀƸǣǞƬŽȚƾƁǾƒȚ
COM-EDGEȤǞƃƯŽȚǀƴǧȶ
țƾƭŻȖǘźȚǞůǟƴŸȨǍŲȚA* A
ǀžNjƈƄƉƓȚǀƸŮǍƷƳŽȚǀƸǣǞƬŽȚƾƁǾƒȚ
RG58ȬǞſǜžȤǞƤȚNjƇƄžǚƃżȳNjƈƄŴȚǠǣȚǞƷŽȚ
24Vdc
ǀŻƾƭŽȚȝȚȢȚNjžȘȝȚȤȚǞƉƉżǽȚ
KING FAST WITH T2-CRXȲǞŲǀƭƉƃžȝƾƵƸƴƯů

Related product manuals