EasyManua.ls Logo

RIB KING FAST - Page 17

RIB KING FAST
Print Icon
To Next Page IconTo Next Page
To Next Page IconTo Next Page
To Previous Page IconTo Previous Page
To Previous Page IconTo Previous Page
Loading...
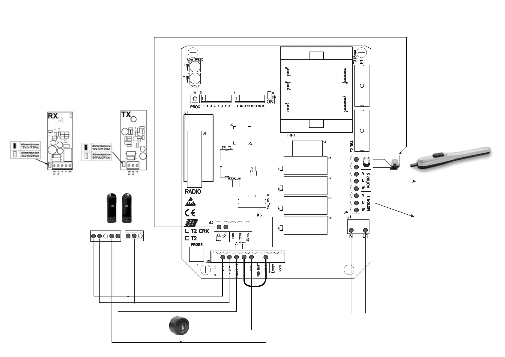
สำหรับตัวจ่ายพลังงาน
24Vdc
ตัวรับแสง
K BUTTON
COM
จ่ายพลังงาน
230 โวลต์ 50-60 เฮิร์ต
สายอากาศ - ให้ใช้คู่สาย RG58
ตัวส่งผ่านข้อมูล
COM-EDGE
A* A
ลักษณะขั้วตัวจ่ายไฟของตัวรับแสงต้องตรงกันข้าม
มอเตอร์2
ซึ่งเป็นตัวที่จะปิดก่อน
ให้ต่อเข้ากับตัวเก็บประจุชั่วคราวจาก V2 ไป W2
U2 => 3
V2 => 1
W2 => 2
มอเตอร์1
ซึ่งเป็นตัวที่จะเปิดก่อน
ให้ต่อเข้ากับตัวเก็บประจุชั่วคราวจาก V1 ไป W1
U1 => 3
V1 => 1
W1 => 2
A* A S C NC A* AS

 KING FAST  T2-CRX

Related product manuals