EasyManua.ls Logo

RIB KING FAST - Page 19

RIB KING FAST
Print Icon
To Next Page IconTo Next Page
To Next Page IconTo Next Page
To Previous Page IconTo Previous Page
To Previous Page IconTo Previous Page
Loading...
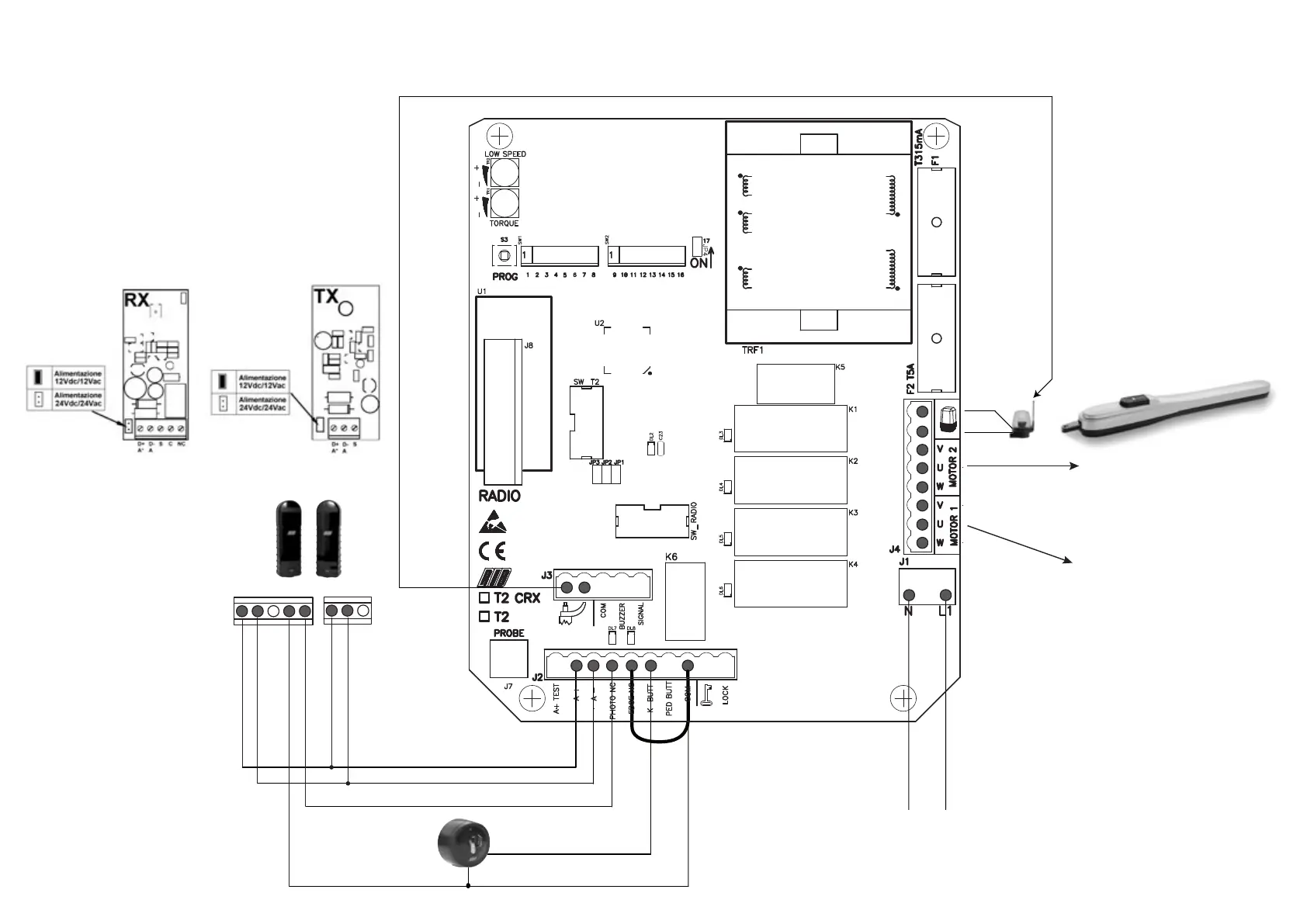
24Vdc
ЗА ДА
ЗАХРАНИТЕ АКСЕСОАРИТЕ
ФОТОКЛЕТКИ
K BUTTON - БУТОН
ЗА УПРАВЛЕНИЕ
COM - ОБЩ
ЗАХРАНВАНЕ
230V 50-60Hz
A* A S C NC A* AS
АНТЕНАИзползвайте коаксиален кабел RG58
МОСТ COM-EDGE
A* A Спазвайте поляритета на
захранване на фотоклетките
ДВИГАТЕЛ 2
двигателя който затваря първи
СВЪРЖЕТЕ КОНДЕНЗАТОРА МЕЖДУ V2 И W2
U2 => 3
V2 => 1
W2 => 2
ДВИГАТЕЛ 1
двигателя който отваря първи
СВЪРЖЕТЕ КОНДЕНЗАТОРА МЕЖДУ V1 И W1
U1 => 3
V1 => 1
W1 => 2
БЪРЗИ ИНСТРУКЦИИ ЗА KING FAST С T2-CRX

Related product manuals