EasyManua.ls Logo

RIB KING FAST - Page 27

RIB KING FAST
Print Icon
To Next Page IconTo Next Page
To Next Page IconTo Next Page
To Previous Page IconTo Previous Page
To Previous Page IconTo Previous Page
Loading...
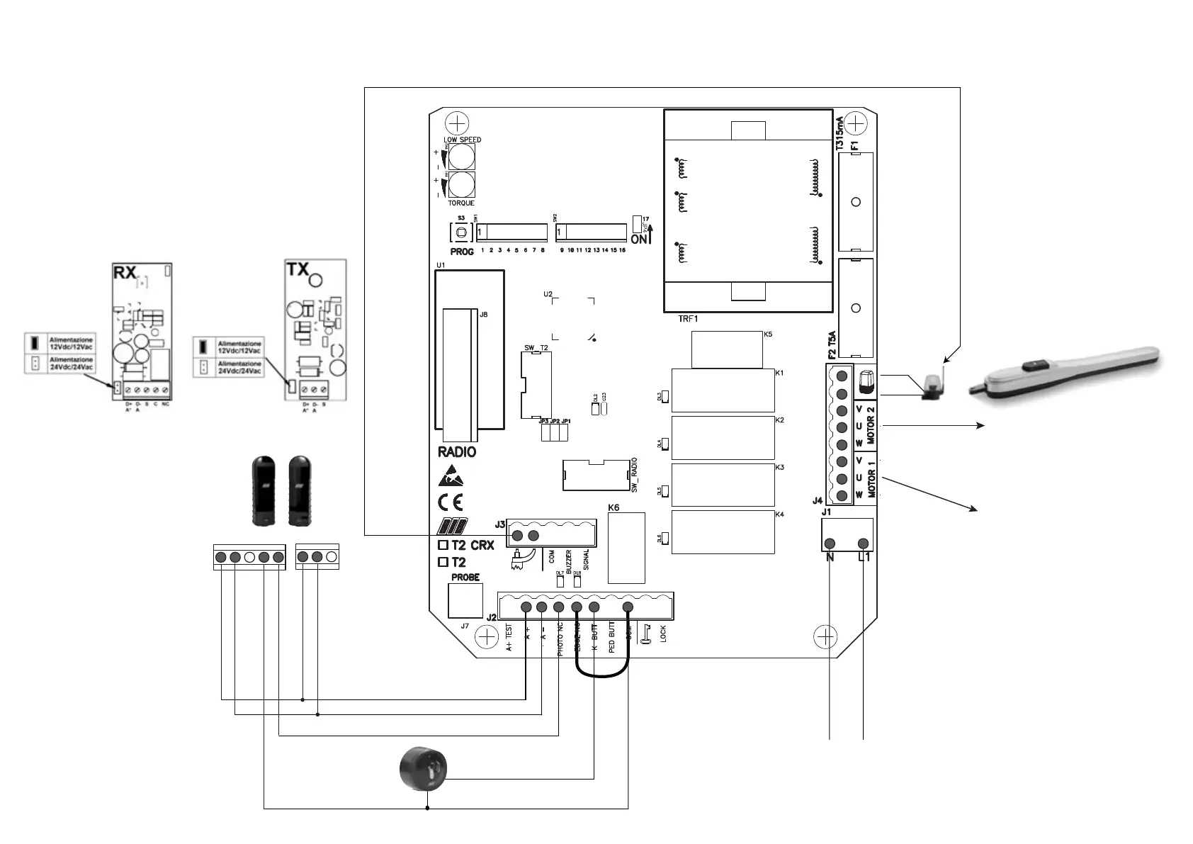
配件供电采用
24Vdc
光电管
K BUTTON
COM
230V 50-60Hz
电源
天线 - 使用同轴电缆RG58
跳线COM-EDGE
A* A 注意光电管电源极性
电机2
首先关闭的电机
连接V2和W2间的电容器
U2 => 3
V2 => 1
W2 => 2
电机1
首先关闭的电机
连接V1和W1间的电容器
U1 => 3
V1 => 1
W1 => 2
A* A S C NC A* AS
配T2-CRX的KING FAST简明使用手册

Related product manuals