EasyManua.ls Logo

RIB KING FAST - Page 3

RIB KING FAST
Print Icon
To Next Page IconTo Next Page
To Next Page IconTo Next Page
To Previous Page IconTo Previous Page
To Previous Page IconTo Previous Page
Loading...
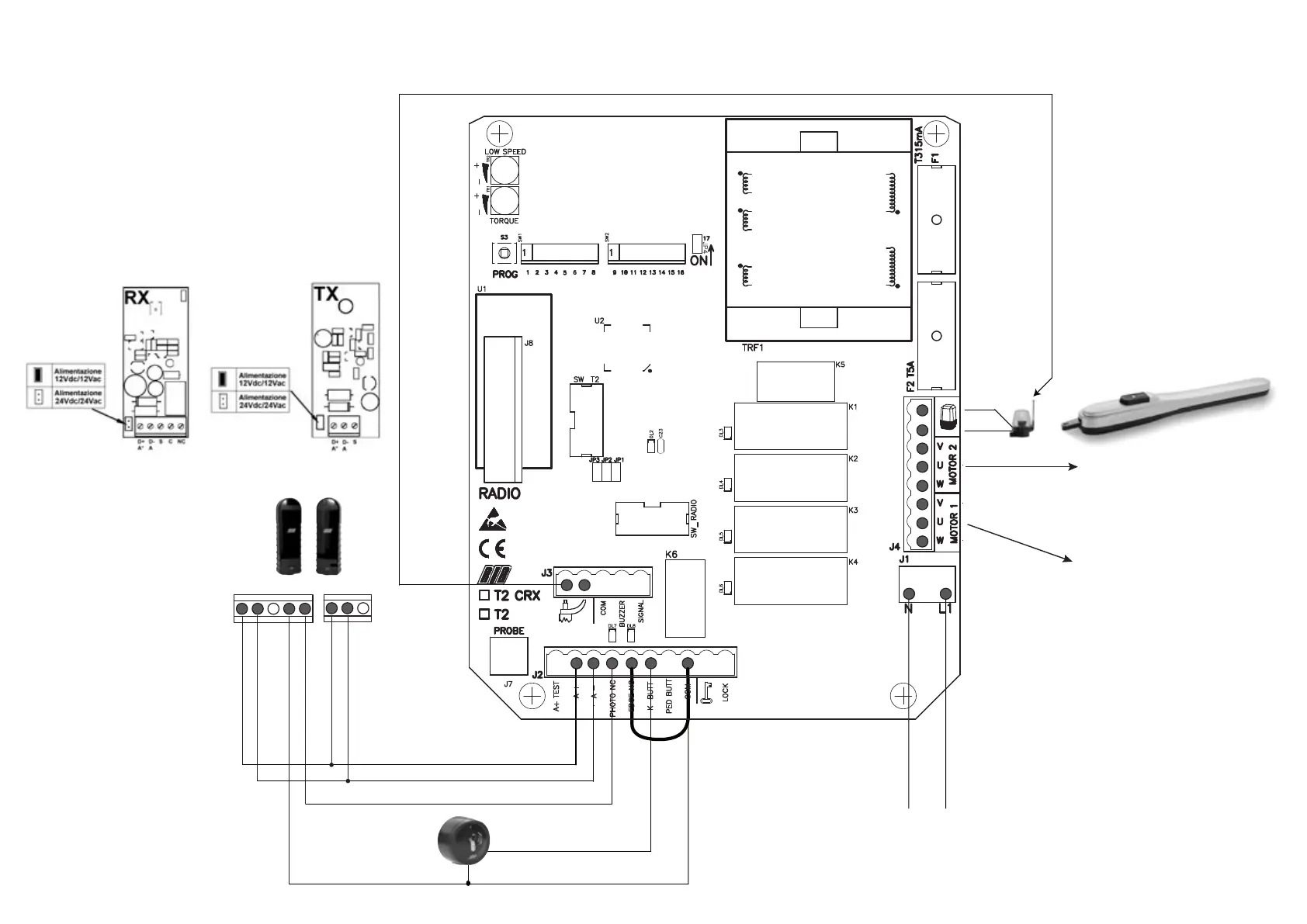
AERIAL
24Vdc
para
ALIMENTACIÓN ACCESORIOS
FOTOCÉLULAS
K BUTTON
COM
ALIMENTACIÓN
230V 50-60Hz
ANTENA - Utilizar un cable coaxial RG58
PUENTEAR
COM-EDGE
A* A Respetad la polaridad de la
alimentación de las fotocélulas
MOTOR 2
MOTOR QUE CIERRA PRIMERO
CONECTAR CONDENSADOR ENTRE V2 y W2
U2 => 3
V2 => 1
W2 => 2
MOTOR 1
MOTOR QUE ABRE PRIMERO
CONECTAR CONDENSADOR ENTRE V1 y W1
U1 => 3
V1 => 1
W1 => 2
A* A S C NC A* AS
INSTRUCCIONES SIMPLIFICADAS PARA KING FAST CON T2-CRX

Related product manuals