EasyManua.ls Logo

RIB KING FAST - Page 5

RIB KING FAST
Print Icon
To Next Page IconTo Next Page
To Next Page IconTo Next Page
To Previous Page IconTo Previous Page
To Previous Page IconTo Previous Page
Loading...
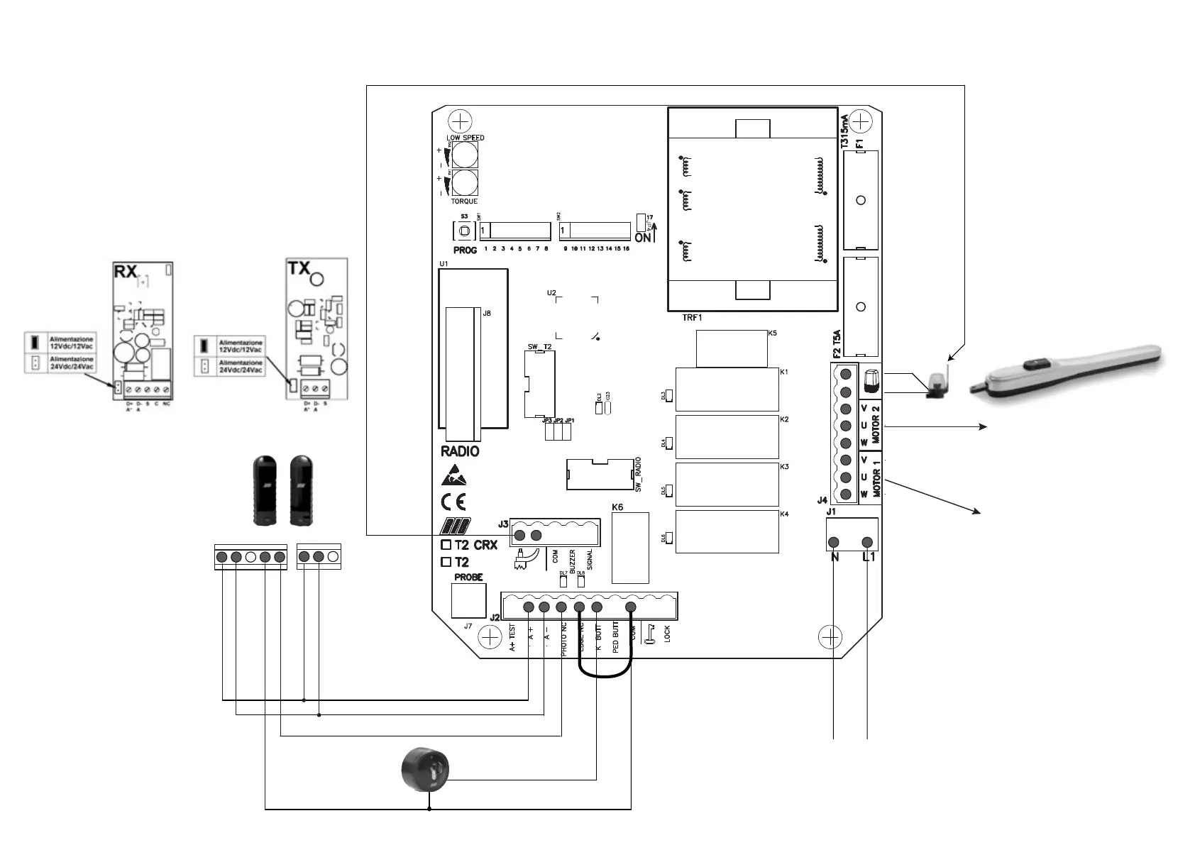
AERIAL
24Vdc
for the
ELECTRICAL SUPPLY
OF ACCESSORIES
PHOTOCELLS
K BUTTON
COM
ELECTRICAL SUPPLY
230V 50-60Hz
ANTENNA – Use an RG58 co-axial cable
JUMPER
COM-EDGE
A* A Observe the polarity
of the photocells’ electrical supply
MOTOR 2
MOTOR THAT CLOSES FIRST
CONNECT CAPACITOR BETWEEN V2 and W2
U2 => 3
V2 => 1
W2 => 2
MOTOR 1
MOTOR THAT OPENS FIRST
CONNECT CAPACITOR BETWEEN V1 and W1
U1 => 3
V1 => 1
W1 => 2
A* A S C NC A* AS
SIMPLIFIED INSTRUCTIONS FOR KING FAST WITH T2-CRX

Related product manuals