EasyManua.ls Logo

RIB KING FAST - Page 7

RIB KING FAST
Print Icon
To Next Page IconTo Next Page
To Next Page IconTo Next Page
To Previous Page IconTo Previous Page
To Previous Page IconTo Previous Page
Loading...
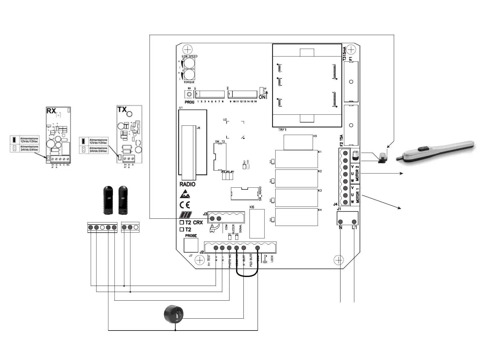
AERIAL
24Vdc
pour
ALIMENTATION ACCESSOIRES
PHOTOCELLULES
K BUTTON
COM
ALIMENTATION
230V 50-60Hz
ANTENNE – Utiliser un câble coaxial RG58
PONTER
COM-EDGE
A* A Respecter la polarité
de l’alimentation des photocellules
MOTEUR 2
MOTEUR QUI FERME TOUT DABORD
RACCORDER CONDENSATEUR ENTRE V2 et W2
U2 => 3
V2 => 1
W2 => 2
MOTEUR 1
MOTEUR QUI OUVRE TOUT DABORD
RACCORDER CONDENSATEUR ENTRE V1 et W1
U1 => 3
V1 => 1
W1 => 2
A* A S C NC A* AS
INSTRUCTIONS SIMPLIFIEES POUR KING FAST AVEC T2-CRX

Related product manuals