EasyManua.ls Logo

RIB KING FAST - Page 9

RIB KING FAST
Print Icon
To Next Page IconTo Next Page
To Next Page IconTo Next Page
To Previous Page IconTo Previous Page
To Previous Page IconTo Previous Page
Loading...
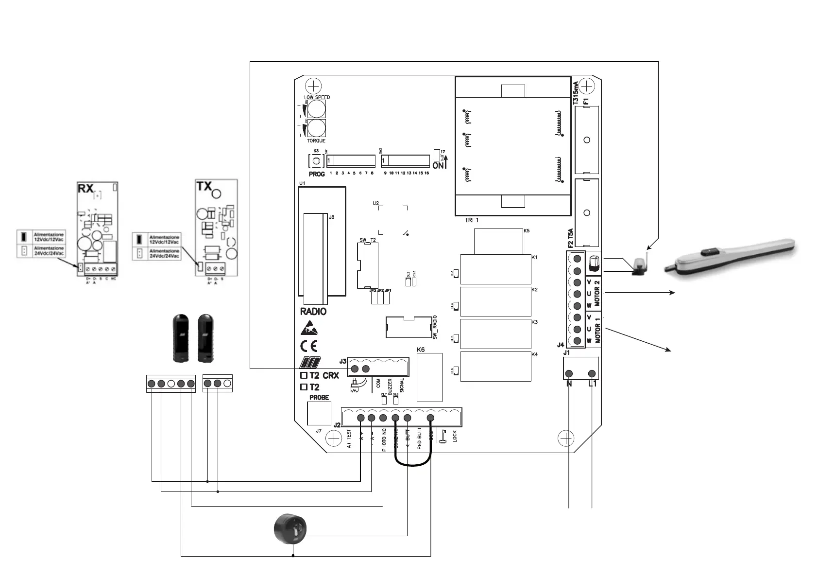
AERIAL
24Vdc
ΓΙΑ ΤΗΝ
ΤΡΟΦΟΔΟΣΙΑ ΕΞΑΡΤΗΜΑΤΩΝ
ΦΩΤΟΚΥΤΤΑΡΑ
K BUTTON
COM
ΤΡΟΦΟΔΟΣΙΑ
230V 50-60Hz
ΚΕΡΑΙΑΧρησιμοποιήστε ομοαξονικό καλώδιο RG58
Γέφυρα
COM-EDGE
A* A Προσέξτε την πολικότητα
της τροφοδοσίας των φωτοκυττάρων.
ΚΙΝΗΤΗΡΑΣ 2
ΚΙΝΗΤΗΡΑΣ ΠΟΥ ΚΛΕΙΝΕΙ ΠΡΩΤΟΣ
ΣΥΝΔΕΣΤΕ ΤΟΝ ΠΥΚΝΩΤΗ ΜΕΤΑΞΥ V2 ΚΑΙ W2
U2 => 3
V2 => 1
W2 => 2
ΚΙΝΗΤΗΡΑΣ 1
ΚΙΝΗΤΗΡΑΣ ΠΟΥ ΑΝΟΙΓΕΙ ΠΡΩΤΟΣ
ΣΥΝΔΕΣΤΕ ΤΟΝ ΠΥΚΝΩΤΗ ΜΕΤΑΞΥ V1 ΚΑΙ W1
U1 => 3
V1 => 1
W1 => 2
A* A S C NC A* AS
ΑΠΛΟΠΟΙΗΜΕΝΕΣ ΟΔΗΓΙΕΣ ΧΡΗΣΗΣ ΓΙΑ ΤΟ KING FAST ΜΕ T2-CRX

Related product manuals