EasyManua.ls Logo

RIB NORMAL - Page 22

RIB NORMAL
Print Icon
To Next Page IconTo Next Page
To Next Page IconTo Next Page
To Previous Page IconTo Previous Page
To Previous Page IconTo Previous Page
Loading...
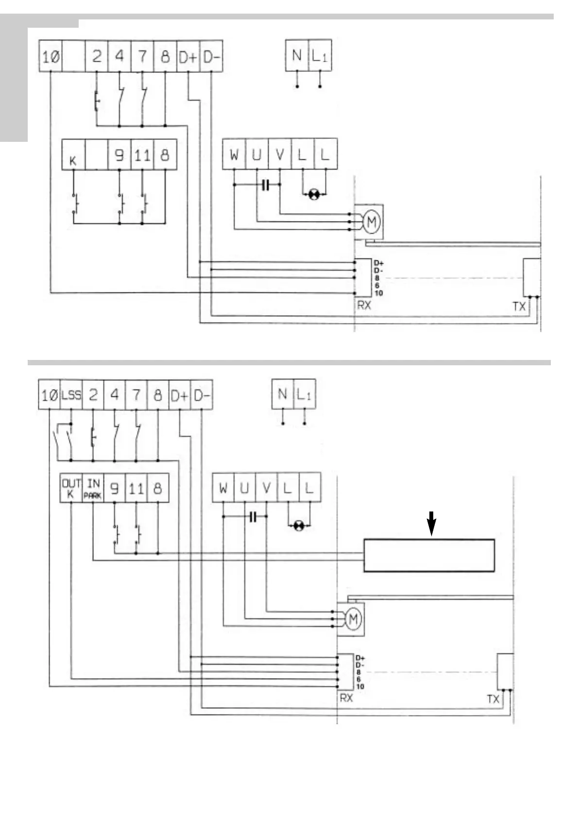
Fig.11
LAYOUT NORMAL FUNCTIONING
DIP4 - OFF
RX-TX = Photocells
A = Magnetic sensor
B = Barrier
Entry and exit
A
B
Fig.12
LAYOUT FUNCTIONING FOR PARKING PLACES
DIP4 - ON
E
N
G
L
I
S
H
Pag. 22 di 36
LINE
230VAC
LINE
230VAC

Other manuals for RIB NORMAL

Related product manuals