EasyManua.ls Logo

RIB NORMAL - Page 23

RIB NORMAL
Print Icon
To Next Page IconTo Next Page
To Next Page IconTo Next Page
To Previous Page IconTo Previous Page
To Previous Page IconTo Previous Page
Loading...
Pag. 23 di 36
E
N
G
L
I
S
H
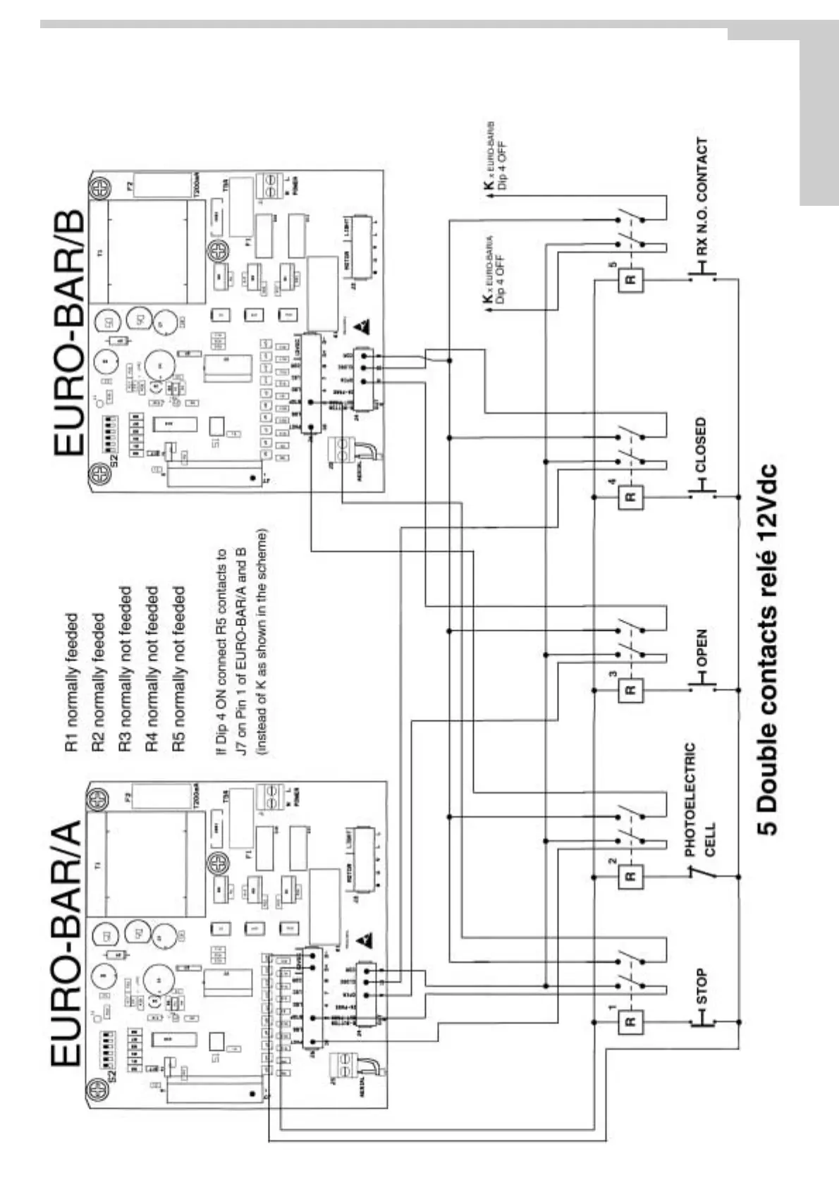
CONNECTION DIAGRAM FOR CONNECTING TWO BARRIERS AT THE SAME TIME

Other manuals for RIB NORMAL

Related product manuals