EasyManua.ls Logo

RIB NORMAL - Page 9

RIB NORMAL
Print Icon
To Next Page IconTo Next Page
To Next Page IconTo Next Page
To Previous Page IconTo Previous Page
To Previous Page IconTo Previous Page
Loading...
Pag. 9 di 36
I
T
A
L
I
A
N
O
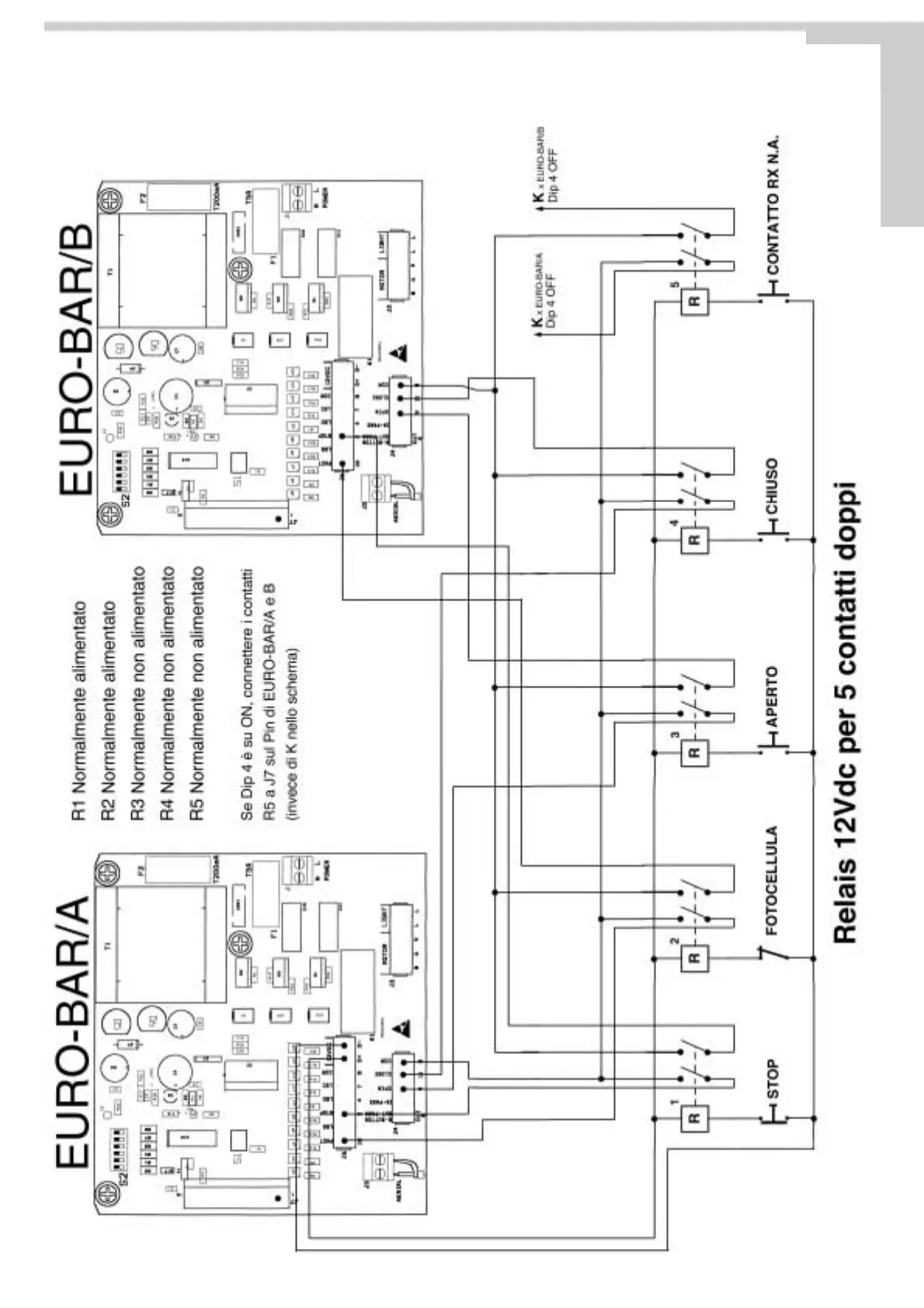
SCHEMA DI COLLEGAMENTO PER IL COMANDO CONTEMPORANEO DI DUE BARRIERE

Other manuals for RIB NORMAL

Related product manuals