EasyManua.ls Logo

RIB T2-CRX - Page 21

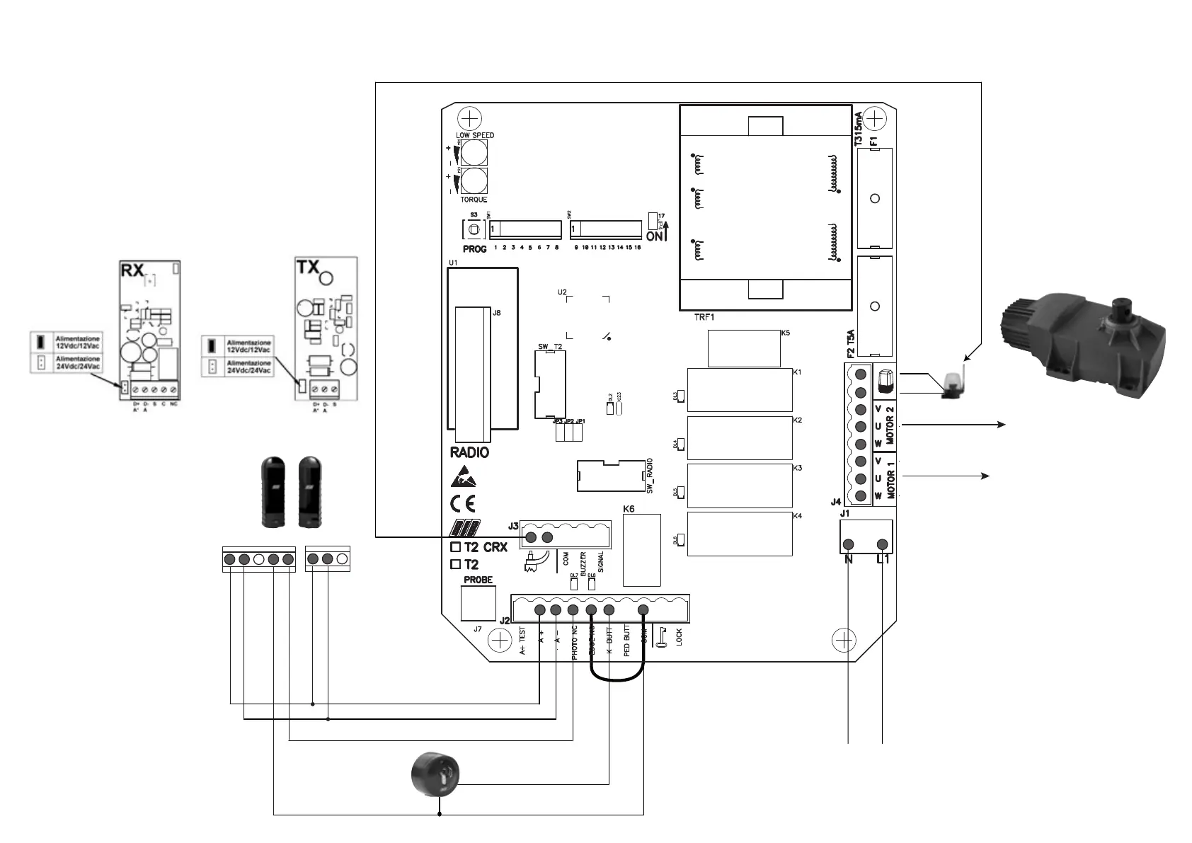
RIB T2-CRX
Print Icon
To Next Page IconTo Next Page
To Next Page IconTo Next Page
To Previous Page IconTo Previous Page
To Previous Page IconTo Previous Page
Loading...
AERIAL
K BUTTON
COM
A* A S C NC A* AS
NjǥƶɨȵȢƾƱƄŴȚRG58ȤǞƇžǛƀǚŮƾɨɧɭȥȚ&Ơſȕ
ɞȤǞſɞƾƀǚǥǨ
ǕƃƶžɞȤǞſɞƾƀǚǥǨǁǥƃƭŻ33
NjǥƶɨǁɭƾŸȤȚȤȰǍŮ
2ȤǞůǞž
ȢNjƶŮɬžȲȶȚǝɨɞȤǞůǞž
NjǥƶɨǚǧȶW2ǝŮV2ȥȚȚȤȴȥƾų
1ȤǞůǞž
NjƶɨɬžȥƾŮȲȶȚǝɨɞȤǞůǞž
NjǥƶɨǚǧȶW1ǝŮV1ȥȚȚȤȴȥƾų
ǎůǍƀ50-60ǁŽȶ230ɞɉǍſȚǕƃƶž
24Vdc
ɬƃſƾűȳȥȚǞŽȰǍŮǕƃƶžɞȚǍŮ
T2-CRX ƾŮ DUKE ǚƵŸȤǞƄŴȢ ȵȢƾŴ ǁƷű ȵȢƾƱƄŴȚ ȥȚ