EasyManua.ls Logo

RIB T2-CRX - Page 23

RIB T2-CRX
Print Icon
To Next Page IconTo Next Page
To Next Page IconTo Next Page
To Previous Page IconTo Previous Page
To Previous Page IconTo Previous Page
Loading...
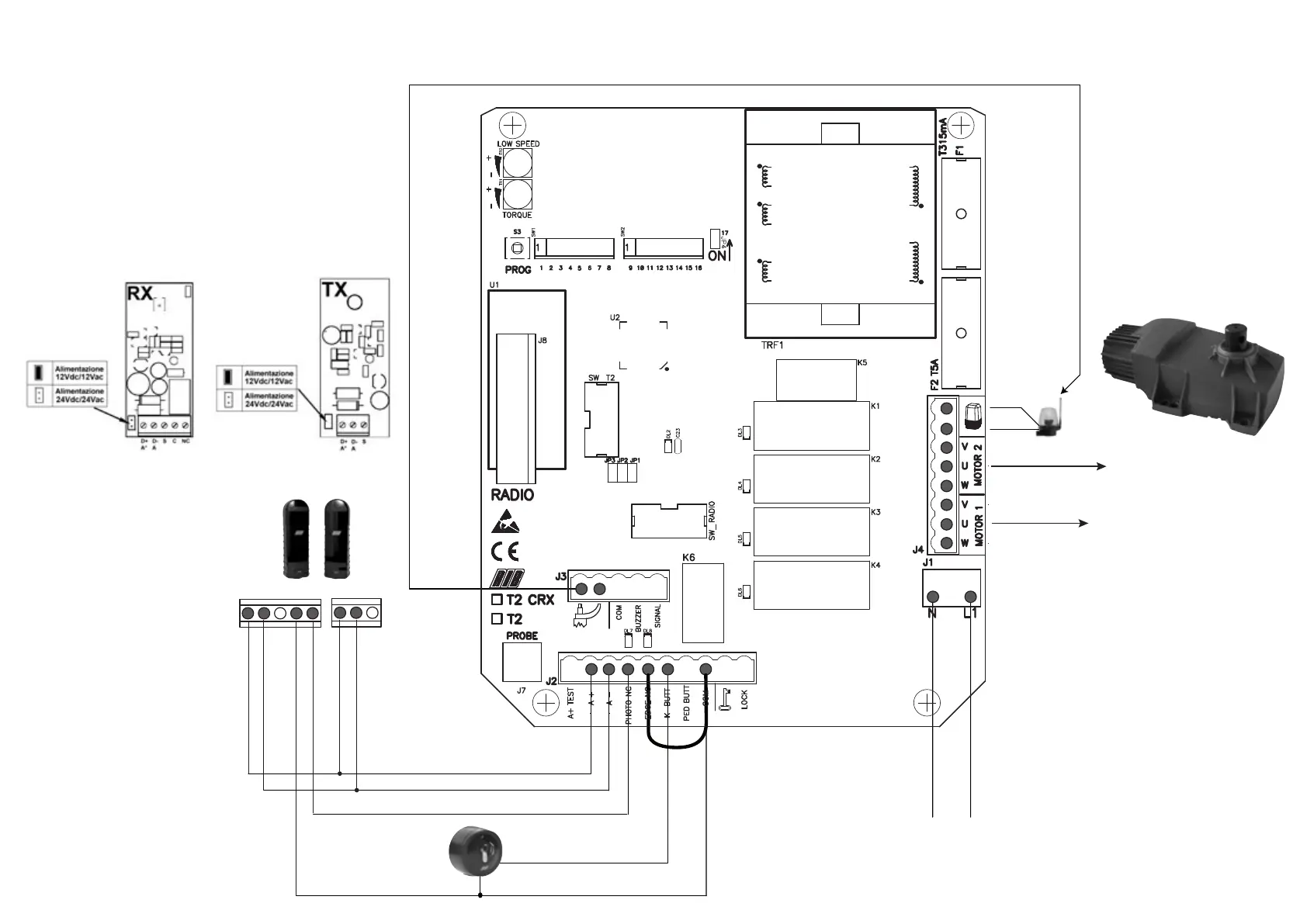
AKSESUARLARIN
BESLEMESİ İÇİN
24Vdc
FOTOSELLER
K BUTTON
COM
BESLEME
230V 50-60Hz
ANTEN – Koaksiyel RG58 kablo kullanınız
COM-EDGE
KÖPRÜ YAPINIZ
A* A Fotosel beslemelerinin kutuplarının
doğru olmasına dikkat ediniz
MOTOR 2
İLK ÖNCE KAPANAN MOTOR V2 ve W2
ARASINA KONDANSATÖR BAĞLANTISI YAPINIZ
MOTOR 1
İLK AÇILAN MOTOR V1 ve W1
ARASINA KONDANSATÖR BAĞLANTISI YAPINIZ
A* A S C NC A* AS
T2-CRX İLE DUKE İÇİN BASİTLEŞTİRİLMİŞ TALİMATLAR