EasyManua.ls Logo

RIB T2-CRX - Page 25

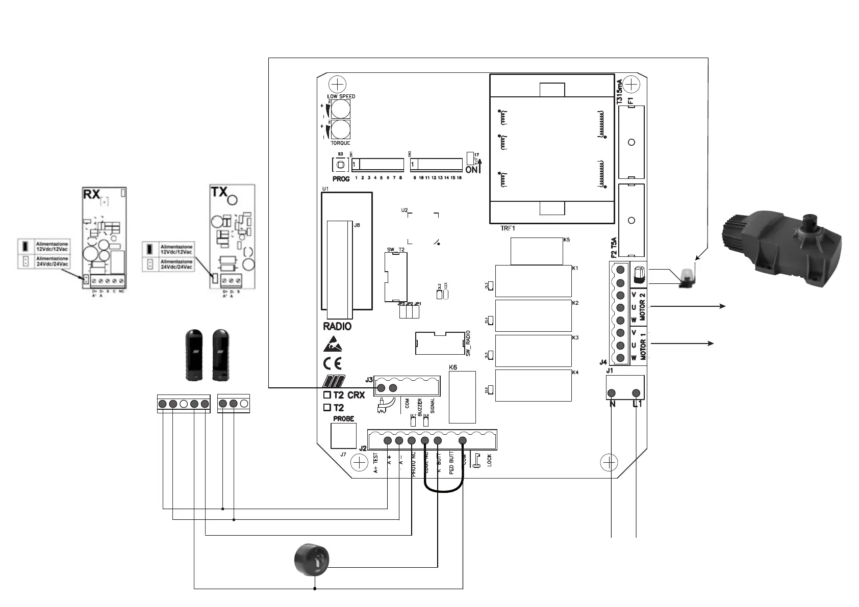
RIB T2-CRX
Print Icon
To Next Page IconTo Next Page
To Next Page IconTo Next Page
To Previous Page IconTo Previous Page
To Previous Page IconTo Previous Page
Loading...
24Vdc
~º§´§¬¸q«¤§º¡«w¸¡¬~
¸¸§´¡
K BUTTON
COM
«¤§º¡«w
230V 50-60Hz
~¬¡&~RG58¸~º§¡´¡«v§º´«¡´q
q¶&~
A* A¸¸§´¡¸q«¤
§º¡«wº®¤««º«´q
¸
¨¡´q¨¸´¤«¡¸
µ´§´¸V2 §´W2 ´q¸©´q
¸
¨¡´¡´¤«¡¸
µ´§´¸V1§´W1 ´q¸©´q
A* A S C NC A* AS
TCRXBjbdRNp[hBBjƑ]<b\]fBiQ5UgSj`